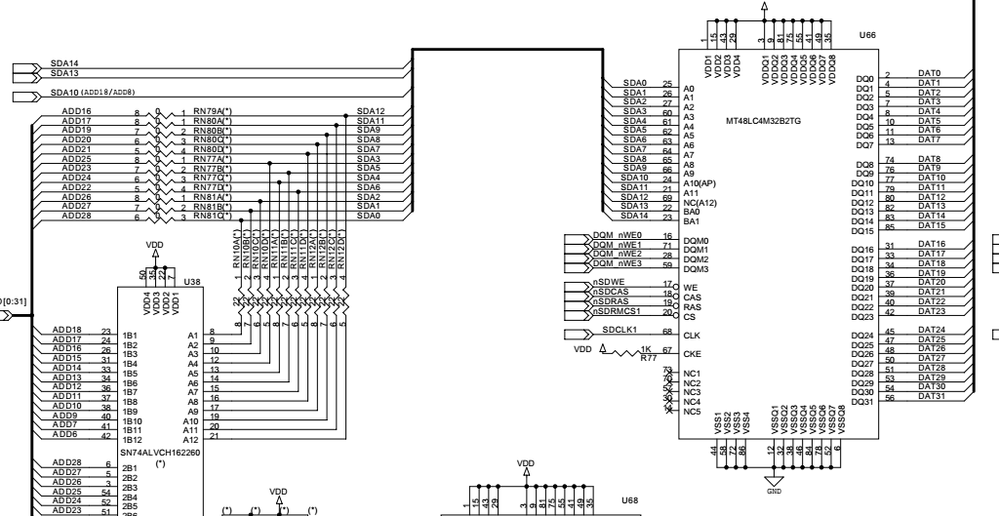
Hi i am interfacing IS45S16320F-7BLA2 (SDRAM 32Mx16) with MPC8270. As per reference manual of MPC8270 on pg# 11-34 it connects address and data lines in ascending order. (A0 - A0)

But the reference design which i am following is PQ2FADS-VR. It is also attached in this post.
In this design it is interfacing MPC8275 Address with SDRAM in descending order. (A28 - A0) .

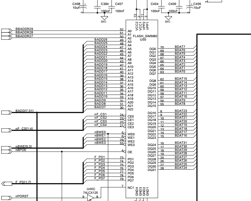
And for Flash both address and data is in descending order. I do not get it . What is the right configuration. Kindly help me.
