Requirement of Buffer in MPC8315 reference design

取消
显示结果 
显示  仅  | 搜索替代 
您的意思是: 

Requirement of Buffer in MPC8315 reference design

737 次查看
ashishjain2910
NXP Employee
NXP Employee

Hi Team,

CPU: IMX8M MINI

Customer: L&T

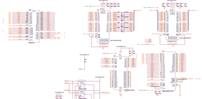
We are using MPC8315 in our design, we have a 256MB NOR flash in X8 mode, but we are planning to change the NOR flash to X16 mode of same capacity. When checked in the reference design of the controller we found that a data buffer is used along with a Latch for controlling address and data lines.

We would like to know the role and need of the data buffer in this design. Also please let us know the impact if the data buffer is removed and data lines are directly connected to the controller.

 

Screenshot of NXP reference schematics provided below.

 

ashishjain2910_0-1656058563605.png

 

Regards,

Ashish

0 项奖励
回复
0 回复数