We are developing a processor board with the MPC8306. We want to use the DDR2 controller to connect the MPC8306 with a 256MB DDR2 Memory (MT47H128M16 from Micron).
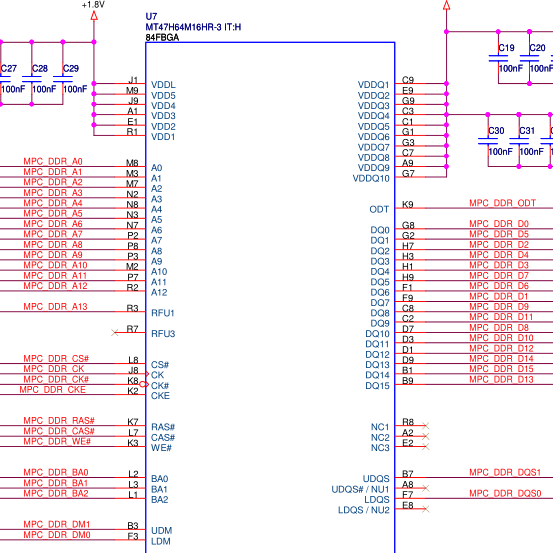
In the original design, the MPC8306 som uses the MT47H64M16( MT47H64M16 is 128MiB DDR2), and it configured in the MPC8306SOM.h as follows:
/*
* DDR Setup
*/
#define CONFIG_SYS_DDR_BASE 0x00000000 /* DDR is system memory */
#define CONFIG_SYS_SDRAM_BASE CONFIG_SYS_DDR_BASE
#define CONFIG_SYS_DDR_SDRAM_BASE CONFIG_SYS_DDR_BASE
#define CONFIG_SYS_DDRCDR 0x73000002 /* DDR II voltage is 1.8V */
#define CONFIG_SYS_DDR_SIZE 128 /* MB */
#define CONFIG_SYS_DDR_CS0_CONFIG 0x80844102
#define CONFIG_SYS_DDR_CLK_CNTL DDR_SDRAM_CLK_CNTL_CLK_ADJUST_05 /* 0x02000000 */
#define CONFIG_SYS_DDR_MODE ( ( 0x440C << SDRAM_MODE_ESD_SHIFT ) \
| ( 0x0232 << SDRAM_MODE_SD_SHIFT ) ) /* 0x440C0232 */
#define CONFIG_SYS_DDR_MODE2 0x8000c000
#define CONFIG_SYS_DDR_INTERVAL ( ( 800 << SDRAM_INTERVAL_REFINT_SHIFT ) \
| ( 100 << SDRAM_INTERVAL_BSTOPRE_SHIFT ) ) /* 0x03200064 */
#define CONFIG_SYS_DDR_CS0_BNDS 0x00000007
#define CONFIG_SYS_DDR_SDRAM_CFG 0x43100000
#define CONFIG_SYS_DDR_SDRAM_CFG2 0x60401000

In our design, we uses the MT47H128M16, and it configured in the MPC8306SOM.h as follows:
/*
* DDR Setup
*/
#define CONFIG_SYS_DDR_BASE 0x00000000 /* DDR is system memory */
#define CONFIG_SYS_SDRAM_BASE CONFIG_SYS_DDR_BASE
#define CONFIG_SYS_DDR_SDRAM_BASE CONFIG_SYS_DDR_BASE
#define CONFIG_SYS_DDRCDR 0x73000002 /* DDR II voltage is 1.8V */
#define CONFIG_SYS_DDR_SIZE 256 /* 256MB */
#define CONFIG_SYS_DDR_CS0_CONFIG 0x80844202 /* 3 logical bank bits, 14 row bits, 10 column bits */
#define CONFIG_SYS_DDR_CLK_CNTL DDR_SDRAM_CLK_CNTL_CLK_ADJUST_05 /* 0x02000000 */
#define CONFIG_SYS_DDR_MODE ( ( 0x440C << SDRAM_MODE_ESD_SHIFT ) \
| ( 0x0232 << SDRAM_MODE_SD_SHIFT ) ) /* 0x440C0232 */
#define CONFIG_SYS_DDR_MODE2 0x8000c000
#define CONFIG_SYS_DDR_INTERVAL ( ( 800 << SDRAM_INTERVAL_REFINT_SHIFT ) \
| ( 100 << SDRAM_INTERVAL_BSTOPRE_SHIFT ) ) /* 0x03200064 */
#define CONFIG_SYS_DDR_CS0_BNDS 0x0000000f /* 256MB */
#define CONFIG_SYS_DDR_SDRAM_CFG 0x43100000
#define CONFIG_SYS_DDR_SDRAM_CFG2 0x60401000

when u-boot start run, it crashed after show the text “DRAM: 256 MiB”

But, when we change #define CONFIG_SYS_DDR_SIZE 128 /* 256MB */,then it's okay。

Our board can not use 128 ~ 256 M of the MT47H128M16, does anybody know how to solve this problem?