The MC33772C reads abnormal voltage

キャンセル
次の結果を表示 
表示  限定  | 次の代わりに検索 
もしかして: 

The MC33772C reads abnormal voltage

ソリューションへジャンプ
350件の閲覧回数
kevinyuee
Contributor III
Hi,
   I can now read the voltage value of the mc33772c. However, when I switched to the normal working mode, its voltage measured by a multimeter was abnormal (the specific output is as follows). But when it entered the sleep mode, the voltage returned to normal.
_____________________________ 
Cell 1 Voltage: 235137 uV (0.235 V)
Cell 2 Voltage: 4199676 uV (4.200 V)
Cell 3 Voltage: 1578063 uV (1.578 V)
Cell 4 Voltage: 3489685 uV (3.490 V)
Cell 5 Voltage: 2730255 uV (2.730 V)
Cell 6 Voltage: 2863006 uV (2.863 V)
_____________________________ 
Best regards
Kevin
ラベル(1)
0 件の賞賛
返信
1 解決策
263件の閲覧回数
kevinyuee
Contributor III
The reference voltage is co-ground with the chip

元の投稿で解決策を見る

0 件の賞賛
返信
3 返答(返信)
343件の閲覧回数
guoweisun
NXP TechSupport
NXP TechSupport

Hi

Firstly you should guarantee the battery have enough energy not the false values.

 

0 件の賞賛
返信
339件の閲覧回数
kevinyuee
Contributor III

Hi,
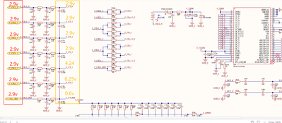
   I only connected the battery to the mc33772c separately. The voltage status measured with a multimeter is as follows: The voltage input of the part connected to the mc33772c is abnormal. Is this normal?
kevinyuee_0-1753846801331.png

 

0 件の賞賛
返信
264件の閲覧回数
kevinyuee
Contributor III
The reference voltage is co-ground with the chip
0 件の賞賛
返信