Hi,Sun
I use MPC5744P and FS4500 , the project is built in S32,the development envirment is right.
firstly, I just try to power on the SBC to make it working continuesly , However it only lasts 1.3s (Vpre ,Vcore has high level ) and then power down (the SBC has no electricity). So I initialize the main state machine INIT_INT register trying to extend the time.but no use.So I decide to use the official example nxp offers.also no use.
the link you give to me is locked ,I would appriciate it if you unlock it for me.
I use this demo code in the below link.
MPC574xP-MC33FS65xx / MC33FS45xx Demo Code
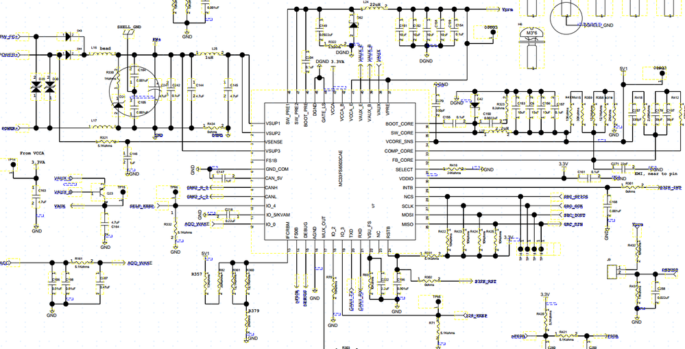
the schematic I want to use is this one given by a reply from another comments .
But it is the next step to realize the state machine and dialog . I think I should make SBC having power longer to provide power to MCU, such as 8s before I feed the watchdog.I don't know this problem is the software problem or the hardware problem.
THANK!
Jiahua Liu