Hello NXP Experts,
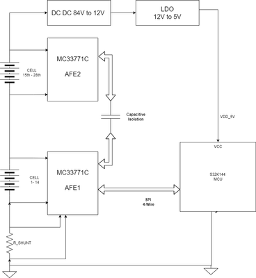
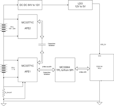
I want to use two MC33771C in Daisy chain for monitoring 28Cells - 14 Cell each using Capacitive Isolation. I am using S32K144 as MCU as master controller.
I am considering to connect AFE1 directly to MCU using 4-wire SPI &
connecting AFE1 to AFE2 using Capacitive Isolation using isoSPI

So my questions are
1. Will AFE1 will communicate with MCU using 4-wire SPI on
2. Can AFE1 will translate 4-wire SPI data from/to MCU to isoSPI TPL protocol & send to/from AFE2 for communication.
Here I don't want to use MC33664 between MCU & AFE1 because my 5V LDO output ground is same as BAT-, so I don't think MC33664 will add advantage from ground isolation point of view.
Will this topology work ? (The similar I had use with LTC6811 instead of MC33771C here, & LTC6811 was able to translate TPL to SPI & vice versa without using additional Transceiver between MCU & first AFE1.)
Can you please help & comment on above. Also suggest any other option also.
Regards
Avi