Hello
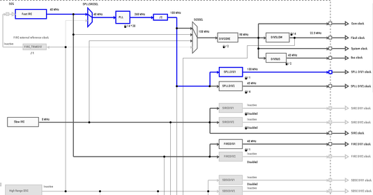
I am using fast IRC clock configuration to get 180Mhz clock connected to the FTM0 clock source.


but when starting FTM0 by FTM0 Clock:
FTM_StartTimer(IFTM_PERIPHERAL, kFTM_FixedClock);
the timer dose not startup.
when starting FTM0 by System Clock:
FTM_StartTimer(IFTM_PERIPHERAL, kFTM_SystemClock);
the timer starts with no problem.
I need to run FTM0 by FTM0 180Mhz clock derived from the SPLL.
what could the problem be ?