Q1. What is the difference between A and B?
CBTL02043A has input and output pins on the opposite of the package, and is suitable for edge
connector(s) with different signal sources on the motherboard.
CBTL02043B has outputs on both sides of the package, and the device can be placed between two connectors to multiplex differential signals from a controller.

Q2. Can CBTL02043 be used for HDMI applications?
No, CBTL02043 cannot be used for HDMI applications. HDMI TMDS signal has its DC termination supply voltage at 3.3V +/-5%. CBTL02043 maximum input voltage at differential pins is limited at 2.4V, only.
Q3. How does CBTL02043 affect the system channel loss budget?
CBTL02043 will brings in extra insertion loss to the system. CBTL02043 has −1.3 dB loss at 4 GHz, which is equivalent to about 1.5 inch (3.81 cm) to 2 inch (5.08 cm) FR4 PCB loss. The system designers need to take this MUX insertion loss into account when planning the system loss budget.
Q4. Are there SPICE, IBIS or S-parameter models available for CBTL02043?
There is no SPICE model. IBIS/S-parameter models can be found below in attachments.
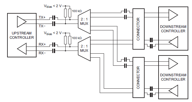
Q5. How to bias the high-speed switch?
PCIe, DP, USB3, and SATA electrical signals require AC coupling between the transmitter and receiver. The AC coupling capacitors are usually placed close to the transmitter.
CBTL02043 requires a bias voltage, less than 2 V, applied to its switches.
There are several AC coupling capacitor placement options:
A. The capacitors can be placed between the MUX and the downstream controller, and the MUX is biased by the upstream controller.

B. The capacitors can be placed between the upstream transmitter and the MUX.
RX signals on the motherboard sides usually do not require AC coupling capacitors since those capacitors are located on the add-in card. The TX MUX is biased by the downstream controller, and the RX MUX is biased by the upstream controller.

C. Do not place capacitors at both side of MUX, unless a bias voltage is provided.
In case of that both upstream and downstream controllers’ common-mode voltage is higher than 2 V, a bias voltage, which is less than 2 V, is needed for CBTL02043. The following figure shows an implementation in this case.
