Overview
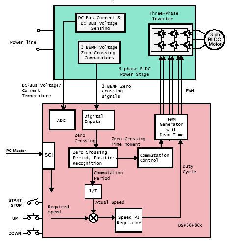
This reference design describes a 3-phase sensorless brushless DC (BLDC) motor control with back-EMF (electromotive force) zero-crossing detection, supporting the NXP® 56F80X and 56F83XX Digital Signal Controllers (DSCs) for motor control applications.
- It can also be applied to Our 56F81XX DSCs
- The system is designed as a motor drive system for three-phase BLDC motors and is targeted for applications in both industrial and appliance fields (e.g. compressors, air conditioning units, pumps or simple industrial drives)
- The reference design incorporates both hardware and software parts of the system including hardware schematics
Features
- BLDC sensorless motor
- 115 or 230V AC Supply
- Targeted for 56F80X, 56F83XX, and 56F81XX Digital Signal Controllers
- Running on 3-phase BLDC Motor EVM at 12V, 3-Phase BLDC Low-Voltage Power Stage
- Speed control loop
- Motor mode in both direction of rotation
- Manual interface (RUN/STOP switch, UP/DOWN push buttons control, LED indication)
- Overvoltage, undervoltage, overcurrent and overheating fault protection
- Hardware autodetection
- FreeMASTER control interface (speed set-up)
- FreeMASTER software remote monitor
Block Diagram

Board

Design Resources