TDA8035HN Footprint Question

cancel
Showing results for 
Show  only  | Search instead for 
Did you mean: 

TDA8035HN Footprint Question

1,763 Views
markfreeman
Contributor I

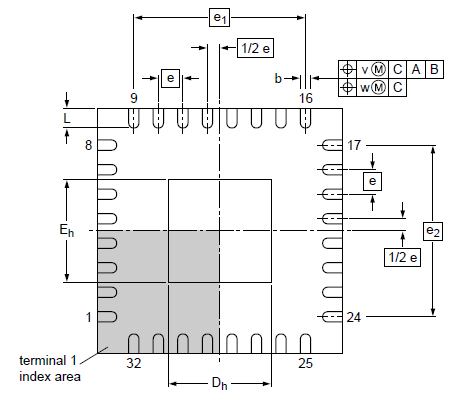
We are layout a PCB incorporating TDA8035HN.  The package outline suggests there's a metal paddle in the center, but there's no mention of connection or recommended PCB footprint.  Is the square depicted by dimensions Dh and Eh a metal pad?  Can this be ignored?

TDA8038HN.png

-Mark

Labels (1)
Tags (1)
0 Kudos
Reply
3 Replies

1,633 Views
Sabina_Bruce
NXP Employee
NXP Employee

Hi Mark,

QFN/SON are designed with the die attach pad exposed at the bottom side to create an efficient heat path to the PCB. Heat transfer can be further facilitated by metal vias in the thermal land pattern of the PCB. The exposed pad also enables ground connection.

It is not necessary to solder this part, but it improves and optimizes thermal performance. 

Here is an application note that explains the above with great detail.

Assembly guidelines for QFN (quad flat no-lead) and SON (small outline no-lead) packages

Please let me know if you have any further questions.

Have a great day!

Sabina

0 Kudos
Reply

1,633 Views
markfreeman
Contributor I

Thank you.

Missing from the TDA8035 datasheet:

  • Can this pad be connected to the ground plane?
  • No specifications for thermal impedance, i.e. ThetaJC, etc.
  • Ptot listed at 0.45W.  Is this maximum package dissipation, or expected power consumption?

-Mark

0 Kudos
Reply

1,633 Views
Sabina_Bruce
NXP Employee
NXP Employee

Hi Mark,

Here are the answer to your questions:

1. As mentioned in the last post it is not necessary, but it can be connected to ground. Connecting it will , enhance the thermal and electrical performance of the package. For details of the PCB footrprint size and recommendations you can check section 4.2.2.1 of the document attached in the above post.

2. Unfortunately the specific Junction-to-case value is not available, the data sheet only provides the junction-to-ambient value.

3. This is the total dissipation, in other words its the power lost through heat. Please note here, that these values were tested in controlled laboratory environments with the chip by itself. 

Please let me know if you have any further questions.

Best Regards,

Sabina

0 Kudos
Reply