Hello,
I'm using RDVCU5775EVM with MBDT and making CAN transmission/Receive Model (attached model).
I connected the MCAN1 and MCAN2 on the board. This model let MCAN1 sends CAN message (ID:3FE) and MCAN2 receive CAN message (ID:3FE) at 100ms period.
From a blinking of LED, MCAN2 receive CAN message. But, when I saw the CAN bus by sniffer, it looks multiple transmission was occurred in microsecond order.
I also found this phenomenon via oscilloscope without CAN sniffer. so it looks the CAN sniffer is not relevant.
Could you tell me why this phenomenon was occurred, and how to prevent this multiple transmission?
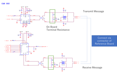
Here is the connection of the circuit.

Here is the capture of viewer (CAN viewer tool : Savvy CAN, CAN sniffer: cando)

Here is the Oscilloscope data at TP41 (MCAN TX line between MCU MCAN0TX/GPIO83 and CAN module on the board) and CAN High line (CAN High/Low Line circuit without CAN sniffer). In this case, I can see 6message while 1 millisecond.

Regards,