Hello @ilker ,
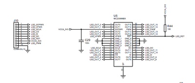
I don't have this MCZ33996 ic to give you more detail, but ...
To communicate with MCZ33996 ic, the SPI instance must be configured as Master and I recommend using the next pins for SPI instance 1: SIN-PTD1, SOUT-PTD2,CS-PTD3,SCLK-PTB14. The recommendation to use those pins instead of pins that you initially used is due to an ic (SBC chip) placed on S32K144EVB, that is connected on the same SPI pins.

The SPI must be configured to transmit 24 bit ( because MCZ33996 ic demands 24 bit for every SPI transfer). Please see the below pictures.

And the MCZ33996 ic needs a PWM signal that has to come from somewhere (maybe you should add a PWM block).
Another very important thing when you connect two different boards is to use the same voltage level (3.3V or 5V) if you connect them thru a communication interface.
Best regards,
Adrian