Hi, I am trying to develop an RPC with the board of RDVCU5775EVM, and I have some problems when testing the MBDT. am using Simulink 2023a, MBDT3.2.0 20200414, Here are my problems:
1. When setting MBD MPC574x Config_Information to MPC5775B, the FlexCAN function has an error when built and downloaded to the board.

It seems that the parameters of the FlexCAN module are not recognized.
2. After changing the setting MBD MPC574x Config_Information to MPC5777C, the model can be built and downloaded, but has some problems, too.
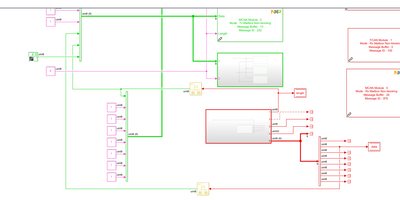
The Messages transformed by the FlexCAN module can be received correctly, but Messages generated by a CANTranser can not be received by the RDVCU5775EVM, because the FCAN_Isr trigger seems not to act as well.
The MCAN module can not Trans nor receive, I can't receive the message transformed by MCAN0 nor Trans a message to the board. there are no error frames when I send a message to the MCAN0 channel, but when I link the length parameter of MCAN_Isr(RX completed) to the second byte of FCAN data, the message I received remains zero.

I wonder which Pin should I choose when using MCAN0, I don't know if I choose the correct one. And where can I get the mapping of MPC5775 Pins and RDVCU5775EVM J8?

does anyone have the same problem? Or any suggestions? glad to see the reply.