MC33771C TPL communication does not work with MBDT blocks.

cancel
Showing results for 
Show  only  | Search instead for 
Did you mean: 

MC33771C TPL communication does not work with MBDT blocks.

1,850 Views
Poley
Contributor V

I am trying to communicated why my MC33771C PCB from my master board containing a MC33664 device and transformer isolation. Status signal back from th get values block is always '3' which looks like loss of communication? Here is the SPI from MCU to MC33664 that repeats:

Poley_0-1695308827228.png

And the TPL side of the MC33664 before the transformer is this:

 

Screenshot 2023-09-21 150549.png

Poley_0-1695309097183.png

 

 

Does that look like a normal TLP signal structure? I thought TPL2 for MC33771C should be square wave? @mariuslucianand am I using the blocks incorrectly? I have attached my model

 

Thanks!

 

0 Kudos
Reply
1 Reply

1,826 Views
Poley
Contributor V

UPDATE:

 

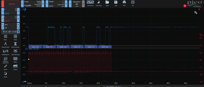
So it looks like the master side is working in regards to sending TPL. The issue is the get values block flashes VCOM on the CMU to 5v everytime get values is called so I know the CMU is receiving some sort of message. There is still no recieved data back to the master though and the status is still set as '3'. CMU stays asleep all of the time agter the first time out and just flashed on with the get values command. What is the next thing to test?

 

I have attached a post MC33664 TPL trace, post BMS transformer and post CMU transformer to show the signals going through. Why might the MCU not be sending anything back? Also, I only gave GND and VPWR connected at 20V. I should only need these 2 pins connected right?

 

Thanks!

 

0 Kudos
Reply