I am using TWR_SER2 board and able to do communication on that making the porting changes as suggested in various posts on freescale community.
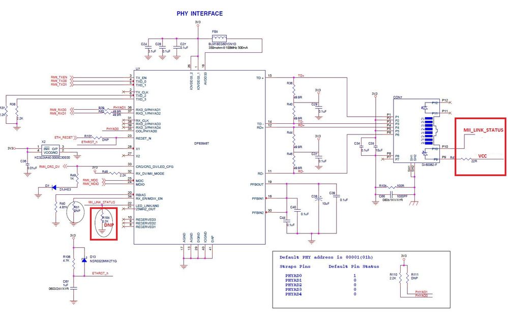
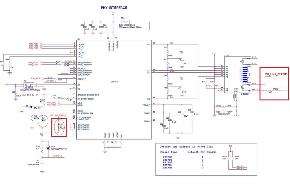
But my actual hardware consists of DP83848t but it not working.
Kindly suggest if we have to make any more changes for the DP83848 and DP83849 IC.
I am using MQX 4.1 RTOS and eth-to-serial example.
I am using MK60DX256 VLL10 controller and able to work on every other module like CAN, ADC and DAC but not ENET.
Please help