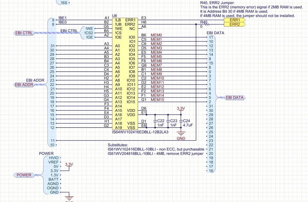
Electrical Engineer connecting mpc5777m EBI to a RAM chip. I am curious if I have connected the memory address lines correctly.
The mpc5777m EBI is connected to an SRAM BGA with 1024x 16 bit words and 19 address pins. I added a 20th address pin in case I use the 2048x 16 bit word version of that chip.
PowerPC is opposite endian, so I think that means address bit 31 from the processor is connected to address 0 of the RAM. PPC Address bit 12 is RAM bit 19. PPC bit 11 would be RAM address bit 20.
Then there are Byte enables. PPC 'address bit' 9 would be lower byte enable. PPC addr bit 8 would be upper byte enable.
Is my logic correct? Here are images of my wiring:

