MC33772C voltage error

取消
显示结果 
显示  仅  | 搜索替代 
您的意思是: 
已解决

MC33772C voltage error

跳至解决方案
983 次查看
kevinyuee
Contributor III

 

 
Hi,
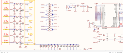
   What should be the default power-on state of MC33772C? My current power-on status is like this. Is this normal for the mc33772c? After I tried to cancel the mc33772c, the voltages collected at both ends of the collection points were consistent and normal.
kevinyuee_0-1753861861882.png
kevinyuee_1-1753861871731.jpeg
kevinyuee_2-1753861883256.jpeg

Please reply asap to
Kevin

标签 (1)
0 项奖励
回复
1 解答
949 次查看
kevinyuee
Contributor III
The problem was solved after the reference GND and the chip GND were short connected.

在原帖中查看解决方案

0 项奖励
回复
3 回复数
974 次查看
JozefKozon
NXP TechSupport
NXP TechSupport

Dear Kevin,

however with such high voltage difference, it looks more like some of the external components are damaged. Either a resistor or a PCB trace interrupted or short to the GND.

With Best Regards,

Jozef

0 项奖励
回复
975 次查看
JozefKozon
NXP TechSupport
NXP TechSupport

Dear Kevin,

the difference in the voltage between the channels can be because of active balancing. Please see below an answer to another customer experiencing voltage change (raise and drop) during one channel balancing. 

DESCRIPTION

This behavior is typical of a serial resistance in the cell terminals. If a load is applied on cell2 through the cell terminals (such as bell balancing for example), it will generate a voltage drop on the line. Since cell3 measurement utilizes the same cell terminal, the same drop will be observed on cell3, but on the opposite direction and typically half the magnitude.

If the load is applied to the whole battery pack (via the power negative and positive battery terminals), you should not observe this behavior.

In a nutshell, to avoid this behavior, either reduce cell terminal resistance or reduce the load current.

With Best Regards, 

Jozef

0 项奖励
回复
950 次查看
kevinyuee
Contributor III
The problem was solved after the reference GND and the chip GND were short connected.
0 项奖励
回复
%3CLINGO-SUB%20id%3D%22lingo-sub-2143326%22%20slang%3D%22en-US%22%20mode%3D%22CREATE%22%3EMC33772C%20%E7%94%B5%E5%8E%8B%E9%94%99%E8%AF%AF%3C%2FLINGO-SUB%3E%3CLINGO-BODY%20id%3D%22lingo-body-2143326%22%20slang%3D%22en-US%22%20mode%3D%22CREATE%22%3E%3CBR%20%2F%3E%3CDIV%20class%3D%22%22%3E%26nbsp%3B%3C%2FDIV%3E%3CDIV%20class%3D%22%22%3E%E4%BD%A0%E5%A5%BD%EF%BC%8C%3CBR%20%2F%3E%20MC33772C%20%E7%9A%84%E9%BB%98%E8%AE%A4%E5%BC%80%E6%9C%BA%E7%8A%B6%E6%80%81%E5%BA%94%E8%AF%A5%E6%98%AF%E4%BB%80%E4%B9%88%EF%BC%9F%E6%88%91%E7%9B%AE%E5%89%8D%E7%9A%84%E5%BC%80%E6%9C%BA%E7%8A%B6%E6%80%81%E6%98%AF%E8%BF%99%E6%A0%B7%E7%9A%84%E8%BF%99%E5%AF%B9%20mc33772c%20%E6%9D%A5%E8%AF%B4%E6%AD%A3%E5%B8%B8%E5%90%97%EF%BC%9F%E5%9C%A8%E6%88%91%E5%B0%9D%E8%AF%95%E5%8F%96%E6%B6%88%20mc33772c%20%E5%90%8E%EF%BC%8C%E9%87%87%E9%9B%86%E7%82%B9%E4%B8%A4%E7%AB%AF%E9%87%87%E9%9B%86%E5%88%B0%E7%9A%84%E7%94%B5%E5%8E%8B%E4%B8%80%E8%87%B4%E4%B8%94%E6%AD%A3%E5%B8%B8%E3%80%82%3CBR%20%2F%3E%3CSPAN%20class%3D%22lia-inline-image-display-wrapper%20lia-image-align-inline%22%20image-alt%3D%22kevinyuee_0-1753861861882.png%22%20style%3D%22width%3A%20400px%3B%22%3E%3Cspan%20class%3D%22lia-inline-image-display-wrapper%22%20image-alt%3D%22kevinyuee_0-1753861861882.png%22%20style%3D%22width%3A%20400px%3B%22%3E%3Cimg%20src%3D%22https%3A%2F%2Fcommunity.nxp.com%2Ft5%2Fimage%2Fserverpage%2Fimage-id%2F350185iB1F6DB173C14BF2F%2Fimage-size%2Fmedium%3Fv%3Dv2%26amp%3Bpx%3D400%22%20role%3D%22button%22%20title%3D%22kevinyuee_0-1753861861882.png%22%20alt%3D%22kevinyuee_0-1753861861882.png%22%20%2F%3E%3C%2Fspan%3E%3C%2FSPAN%3E%3CBR%20%2F%3E%3CSPAN%20class%3D%22lia-inline-image-display-wrapper%20lia-image-align-inline%22%20image-alt%3D%22kevinyuee_1-1753861871731.jpeg%22%20style%3D%22width%3A%20400px%3B%22%3E%3Cspan%20class%3D%22lia-inline-image-display-wrapper%22%20image-alt%3D%22kevinyuee_1-1753861871731.jpeg%22%20style%3D%22width%3A%20300px%3B%22%3E%3Cimg%20src%3D%22https%3A%2F%2Fcommunity.nxp.com%2Ft5%2Fimage%2Fserverpage%2Fimage-id%2F350186iC68815C90510DFAB%2Fimage-size%2Fmedium%3Fv%3Dv2%26amp%3Bpx%3D400%22%20role%3D%22button%22%20title%3D%22kevinyuee_1-1753861871731.jpeg%22%20alt%3D%22kevinyuee_1-1753861871731.jpeg%22%20%2F%3E%3C%2Fspan%3E%3C%2FSPAN%3E%3CBR%20%2F%3E%3CSPAN%20class%3D%22lia-inline-image-display-wrapper%20lia-image-align-inline%22%20image-alt%3D%22kevinyuee_2-1753861883256.jpeg%22%20style%3D%22width%3A%20400px%3B%22%3E%3Cspan%20class%3D%22lia-inline-image-display-wrapper%22%20image-alt%3D%22kevinyuee_2-1753861883256.jpeg%22%20style%3D%22width%3A%20300px%3B%22%3E%3Cimg%20src%3D%22https%3A%2F%2Fcommunity.nxp.com%2Ft5%2Fimage%2Fserverpage%2Fimage-id%2F350187i96965387BC36B2B5%2Fimage-size%2Fmedium%3Fv%3Dv2%26amp%3Bpx%3D400%22%20role%3D%22button%22%20title%3D%22kevinyuee_2-1753861883256.jpeg%22%20alt%3D%22kevinyuee_2-1753861883256.jpeg%22%20%2F%3E%3C%2Fspan%3E%3C%2FSPAN%3E%3CP%3E%E8%AF%B7%E5%B0%BD%E5%BF%AB%E5%9B%9E%E5%A4%8D%3CBR%20%2F%3EKevin%3C%2FP%3E%3C%2FDIV%3E%3C%2FLINGO-BODY%3E%3CLINGO-LABS%20id%3D%22lingo-labs-2143326%22%20slang%3D%22en-US%22%20mode%3D%22CREATE%22%3E%3CLINGO-LABEL%3EMCXC%3C%2FLINGO-LABEL%3E%3C%2FLINGO-LABS%3E%3CLINGO-SUB%20id%3D%22lingo-sub-2144067%22%20slang%3D%22en-US%22%20mode%3D%22CREATE%22%20translate%3D%22no%22%3ERe%3A%20MC33772C%20voltage%20error%3C%2FLINGO-SUB%3E%3CLINGO-BODY%20id%3D%22lingo-body-2144067%22%20slang%3D%22en-US%22%20mode%3D%22CREATE%22%3E%E5%9C%A8%E5%8F%82%E8%80%83%20GND%20%E5%92%8C%E8%8A%AF%E7%89%87%20GND%20%E7%9F%AD%E8%B7%AF%E8%BF%9E%E6%8E%A5%E5%90%8E%EF%BC%8C%E9%97%AE%E9%A2%98%E5%BE%97%E5%88%B0%E4%BA%86%E8%A7%A3%E5%86%B3%E3%80%82%3C%2FLINGO-BODY%3E%3CLINGO-SUB%20id%3D%22lingo-sub-2143364%22%20slang%3D%22en-US%22%20mode%3D%22CREATE%22%20translate%3D%22no%22%3ERe%3A%20MC33772C%20voltage%20error%3C%2FLINGO-SUB%3E%3CLINGO-BODY%20id%3D%22lingo-body-2143364%22%20slang%3D%22en-US%22%20mode%3D%22CREATE%22%3E%3CP%3E%E4%BA%B2%E7%88%B1%E7%9A%84%E5%87%AF%E6%96%87%3C%2FP%3E%0A%3CP%3E%E4%BD%86%E6%98%AF%EF%BC%8C%E7%94%B1%E4%BA%8E%E7%94%B5%E5%8E%8B%E5%B7%AE%E5%A6%82%E6%AD%A4%E4%B9%8B%E9%AB%98%EF%BC%8C%E7%9C%8B%E8%B5%B7%E6%9D%A5%E6%9B%B4%E5%83%8F%E6%98%AF%E6%9F%90%E4%BA%9B%E5%A4%96%E9%83%A8%E5%85%83%E5%99%A8%E4%BB%B6%E6%8D%9F%E5%9D%8F%E4%BA%86%E3%80%82%E7%94%B5%E9%98%BB%E6%88%96%20PCB%20%E7%BA%BF%E8%B7%AF%E4%B8%8E%20GND%20%E4%B8%AD%E6%96%AD%E6%88%96%E7%9F%AD%E8%B7%AF%E3%80%82%3C%2FP%3E%0A%3CP%3E%E8%87%B4%E4%BB%A5%E6%9C%80%E5%B4%87%E9%AB%98%E7%9A%84%E6%95%AC%E6%84%8F%3C%2FP%3E%0A%3CP%3E%E7%BA%A6%E7%91%9F%E5%A4%AB%3C%2FP%3E%3C%2FLINGO-BODY%3E%3CLINGO-SUB%20id%3D%22lingo-sub-2143363%22%20slang%3D%22en-US%22%20mode%3D%22CREATE%22%20translate%3D%22no%22%3ERe%3A%20MC33772C%20voltage%20error%3C%2FLINGO-SUB%3E%3CLINGO-BODY%20id%3D%22lingo-body-2143363%22%20slang%3D%22en-US%22%20mode%3D%22CREATE%22%3E%3CP%3E%E4%BA%B2%E7%88%B1%E7%9A%84%E5%87%AF%E6%96%87%3C%2FP%3E%0A%3CP%3E%E9%80%9A%E9%81%93%E4%B9%8B%E9%97%B4%E7%9A%84%E7%94%B5%E5%8E%8B%E5%B7%AE%E5%BC%82%E5%8F%AF%E8%83%BD%E6%98%AF%E4%B8%BB%E5%8A%A8%E5%B9%B3%E8%A1%A1%E9%80%A0%E6%88%90%E7%9A%84%E3%80%82%E8%AF%B7%E5%8F%82%E9%98%85%E4%B8%8B%E9%9D%A2%E5%AF%B9%E5%8F%A6%E4%B8%80%E4%BD%8D%E5%9C%A8%E4%B8%80%E4%B8%AA%E9%80%9A%E9%81%93%E5%B9%B3%E8%A1%A1%E8%BF%87%E7%A8%8B%E4%B8%AD%E9%81%87%E5%88%B0%E7%94%B5%E5%8E%8B%E5%8F%98%E5%8C%96%EF%BC%88%E5%8D%87%E9%AB%98%E5%92%8C%E9%99%8D%E4%BD%8E%EF%BC%89%E7%9A%84%E5%AE%A2%E6%88%B7%E7%9A%84%E7%AD%94%E5%A4%8D%E3%80%82%20%3C%2FP%3E%0A%3CP%3E%E8%AF%B4%E6%98%8E%3C%2FP%3E%0A%3CP%3E%3CFONT%20color%3D%22%230000FF%22%3E%E8%BF%99%E7%A7%8D%E7%8E%B0%E8%B1%A1%E6%98%AF%E7%94%B5%E6%B1%A0%E7%BB%88%E7%AB%AF%E4%B8%B2%E8%81%94%E7%94%B5%E9%98%BB%E7%9A%84%E5%85%B8%E5%9E%8B%E8%A1%A8%E7%8E%B0%E3%80%82%E5%A6%82%E6%9E%9C%E9%80%9A%E8%BF%87%E7%94%B5%E6%B1%A0%E7%AB%AF%E5%AD%90%E5%90%91%20cell2%20%E6%96%BD%E5%8A%A0%E8%B4%9F%E8%BD%BD%EF%BC%88%E4%BE%8B%E5%A6%82%E9%92%9F%E5%BD%A2%E5%B9%B3%E8%A1%A1%EF%BC%89%EF%BC%8C%E5%88%99%E4%BC%9A%E5%9C%A8%E7%BA%BF%E8%B7%AF%E4%B8%8A%E4%BA%A7%E7%94%9F%E7%94%B5%E5%8E%8B%E4%B8%8B%E9%99%8D%E3%80%82%E7%94%B1%E4%BA%8E%E5%8D%95%E5%85%83%203%20%E7%9A%84%E6%B5%8B%E9%87%8F%E4%BD%BF%E7%94%A8%E7%9A%84%E6%98%AF%E7%9B%B8%E5%90%8C%E7%9A%84%E5%8D%95%E5%85%83%E7%BB%88%E7%AB%AF%EF%BC%8C%E5%9B%A0%E6%AD%A4%E5%9C%A8%E5%8D%95%E5%85%83%203%20%E4%B8%8A%E4%BC%9A%E8%A7%82%E5%AF%9F%E5%88%B0%E7%9B%B8%E5%90%8C%E7%9A%84%E4%B8%8B%E9%99%8D%EF%BC%8C%E4%BD%86%E6%96%B9%E5%90%91%E7%9B%B8%E5%8F%8D%EF%BC%8C%E5%B9%85%E5%BA%A6%E9%80%9A%E5%B8%B8%E4%B8%BA%E4%B8%80%E5%8D%8A%E3%80%82%3C%2FFONT%3E%3C%2FP%3E%0A%3CP%3E%3CFONT%20color%3D%22%230000FF%22%3E%E5%A6%82%E6%9E%9C%E8%B4%9F%E8%BD%BD%E6%96%BD%E5%8A%A0%E5%9C%A8%E6%95%B4%E4%B8%AA%E7%94%B5%E6%B1%A0%E7%BB%84%E4%B8%8A%EF%BC%88%E9%80%9A%E8%BF%87%E7%94%B5%E6%BA%90%E8%B4%9F%E6%9E%81%E5%92%8C%E7%94%B5%E6%B1%A0%E6%AD%A3%E6%9E%81%EF%BC%89%EF%BC%8C%E5%B0%B1%E4%B8%8D%E4%BC%9A%E5%87%BA%E7%8E%B0%E8%BF%99%E7%A7%8D%E6%83%85%E5%86%B5%E3%80%82%3C%2FFONT%3E%3C%2FP%3E%0A%3CP%3E%3CFONT%20color%3D%22%230000FF%22%3E%E7%AE%80%E8%80%8C%E8%A8%80%E4%B9%8B%EF%BC%8C%E8%A6%81%E9%81%BF%E5%85%8D%E8%BF%99%E7%A7%8D%E8%A1%8C%E4%B8%BA%EF%BC%8C%E8%A6%81%E4%B9%88%E9%99%8D%E4%BD%8E%E7%94%B5%E6%B1%A0%E7%BB%88%E7%AB%AF%E7%94%B5%E9%98%BB%EF%BC%8C%E8%A6%81%E4%B9%88%E9%99%8D%E4%BD%8E%E8%B4%9F%E8%BD%BD%E7%94%B5%E6%B5%81%E3%80%82%3C%2FFONT%3E%3C%2FP%3E%0A%3CP%3E%3CFONT%20color%3D%22%23000000%22%3E%E8%87%B4%E4%BB%A5%E6%9C%80%E5%B4%87%E9%AB%98%E7%9A%84%E6%95%AC%E6%84%8F%20%3C%2FFONT%3E%3C%2FP%3E%0A%3CP%3E%3CFONT%20color%3D%22%23000000%22%3E%E7%BA%A6%E7%91%9F%E5%A4%AB%3C%2FFONT%3E%3C%2FP%3E%3C%2FLINGO-BODY%3E