CAN Device Driver Issue on MCUXpresso 10.3.X and SDK 2.5

キャンセル
次の結果を表示 
表示  限定  | 次の代わりに検索 
もしかして: 

CAN Device Driver Issue on MCUXpresso 10.3.X and SDK 2.5

2,923件の閲覧回数
zhiqunhu
Contributor III

Hello,

 

I am trying to port a K64/KDS3.2/SDK2.X project to MCUXpresso 10.3.X and SDK 2.5. I have made changes in the code of the KDS project to adapt the changes made in the new device drivers, and the new MCUXpresso project can be build and run. 

I noticed that my CAN tasks can run but they cannot receive nor transmit any CAN messages. I used BDM to trace it down and found out that is because the transmitting MBOX is not available after sending the first frame out. Please refer to the screenshot below, it can only pass the condition in line 725 first time.

I was thinking it may be related to the changes made in fsl_flexcan.c/h, so I swapped fsl_flexcan.c/h files of SKD 2.x of KDS and SDK2.5 of MCUXpresso(with minor modification in both projects app), then find out, both flexcan device drivers of SDK2.x and SKD2.5 work for the KDS project but none of them work for MCUXpresso project. 

   

pastedImage_1.png

Then, if it is not because of device drivers, what else? I am wondering if somebody else has seen the problem.

(I checked the flexcan examples, but FLEXCAN_TransferReceiveNonBlocking() was used there, not the API FLEXCAN_WriteTxMb() I was using)

5 返答(返信)

2,688件の閲覧回数
zhiqunhu
Contributor III

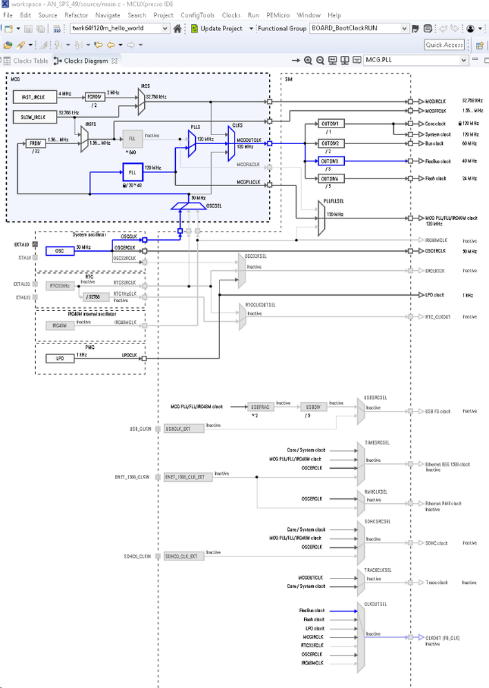
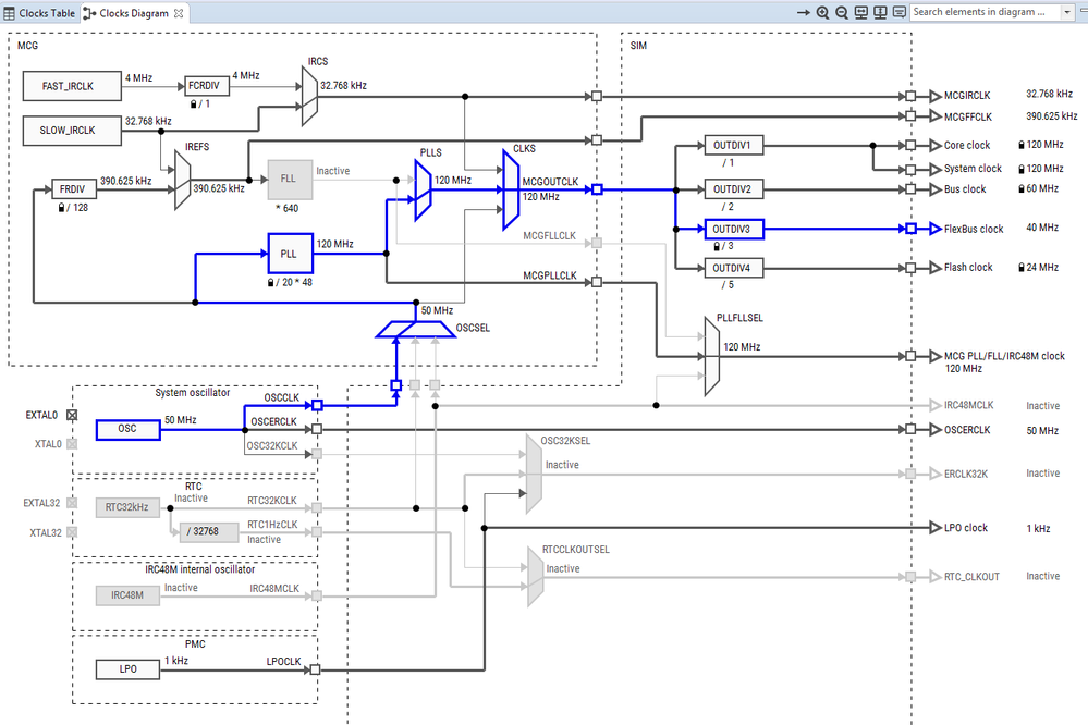
For a shortcut, if you see any clock issue in your project, you can configure it as one of the example project, such as hello_world, to get it right. Below is an example, I started a testing project and see there are some issues related to clock configuration, then I just use ConfigTools->Clock->Clocks Diagram to configure it as that in hello_world, then apparently all clocks in the project work fine.

pastedImage_1.png  pastedImage_2.png

2,688件の閲覧回数
knovinger
Contributor III

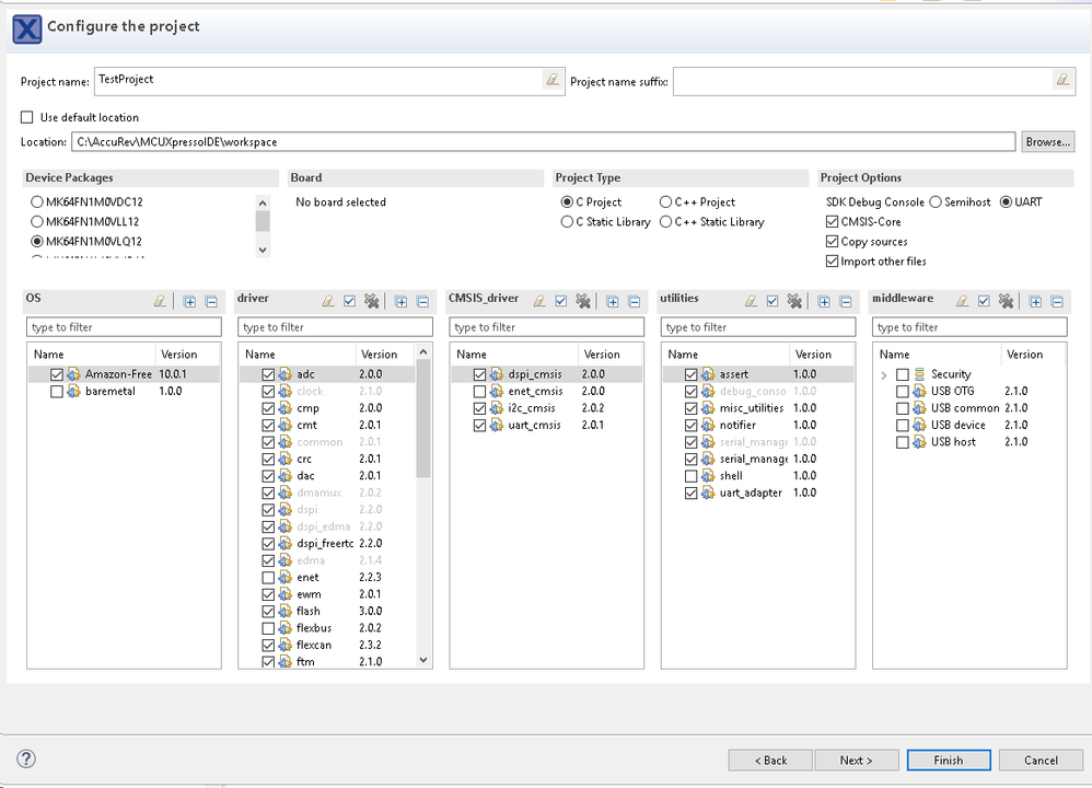
One thing to note, when create a project and using the FRDMK64 the board reference with SDK v2.5, the default clock configuration uses the PLL with dividers of 15 and 36 to generate 120MHz (assuming 50MHz OSCCLK) out of the PLL.  On the surface this seems fine as all of the derived clock frequencies appear correct.  However, we found in the CAN drivers, when the CAN bus timing is calculated based on the selected baud (250k in our case) and default PLL configuration, that the bus timing was wrong.  We were getting 3.8us vs 4us.

Stepping thru the initialization process with the default values revealed rounding errors resulted in an incorrect value be assigned to the preDivider parameter of the CAN timingConfig.  The calculation process was as follows...

OSCCLK = 50MHz
PRDIV = 15
VDIV = 36

fsl_clock.c   CLOCK_GetFreq()

MCGPLLCLK = (OSCCLK / PRDIV) = 50MHz / 15 =  3333333Hz
MCGPLLCLK = MCGPLLCLK * VDIV = 3333333Hz * 36 = 119999988Hz
BUS_CLK = MCGPLLCLK / SIM_CLKDIV1[OUTDIV2] = 119999988Hz / 2 = 59999994Hz

fsl_flexcan.c FLEXCAN_SetBaudRate()

priDiv = baudRate_Bps * quantum = 250000Hz * 10 = 2500000Hz
priDiv = (sourceClock_Hz / priDiv) - 1 = (59999994Hz / 2500000Hz) - 1 = 22.9999976, truncated to 22


This yields a CAN Serial Clock (Sclock) of...

Sclock = BUS_CLK / (priDiv + 1) = 59999994Hz / (22 + 1) = 2608695Hz

Which equates to a calculated baud rate of...

Baud = Sclock / quantum = 2608695Hz / 10 = 260869Hz --> 1/260869Hz = 3.834us.

If the value of PRDIV is changed to a value that is a factor of OSCCLK the result will be an integer, unlike the defaults shown.  So if PRDIV is changed to 20, for example, the first calculation of MCGPLLCLK will be...

MCGPLLCLK = (OSCCLK / PRDIV) = 50MHz / 20 =  2500000Hz

To obtain the desired PLL clock rate, a new value for VDIV is also required.

VDIV = 120MHz / MCGPLLCLK = 120MHz / 2.5MHz = 48
MCGPLLCLK = MCGPLLCLK * VDIV = 2.5MHz * 48 = 120MHz

These values then provide the correct BUS_CLK rate.

BUS_CLK = MCGPLLCLK / SIM_CLKDIV1[OUTDIV2] = 120MHz / 2 = 60MHz

Using these values in FLEXCAN_SetBaudRate() yields...

priDiv = baudRate_Bps * quantum = 250kHz * 10 = 2.5MHz
priDiv = (sourceClock_Hz / priDiv) - 1 = (60MHz / 2.5MHz) - 1 = 23

This yields a CAN Serial Clock (Sclock) of...

Sclock = BUS_CLK / (priDiv + 1) = 60MHz / (23 + 1) = 2.5MHz


Which equates to a calculated baud rate of...

Baud = Sclock / quantum = 2.5MHz / 10 = 2.5MHz --> 1/2.5MHz = 4us.

In summary, when choosing the divider values for PLL clock calculation, it is important that the PRDIV divisor chosen divides evenly into the PLL clock source providing a integer result.  The Clock Utility in IDE v10.3 will not catch this.  In addition, the PRDIV value chosen shall also produce a calculated value within the range of 2 - 4MHz as specified in the K64 reference manual.  The value for VDIV should then be chosen to obtain the desired PLL clock frequency.

It should also be noted, as described in the reference manual, for applications calling for a tight tolerance (up to 0.1%) in CAN bus timing, the Oscillator clock (OSCERCLK) should be used rather than the internal bus clock (derived from PLL in this case) by configuring CANx_CTRL1[CLKSRC] = 0.

2,688件の閲覧回数
zhiqunhu
Contributor III

Thanks Kevin for digging into the details to find out the reason of the clock incorrect issue.

As you pointed out that if a project is created by picking a MCU but not a board, the default clock configuration need to be modified. When I created the project I have a default clock_config.c/h files created, but did not check for details.

pastedImage_2.png

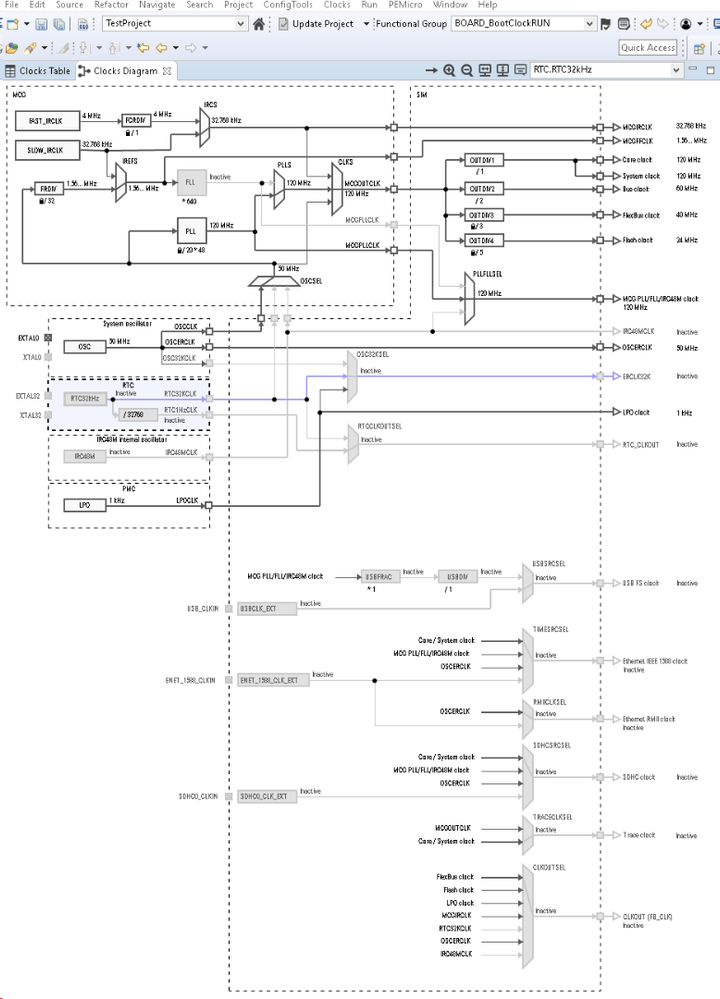
I recreated the project, and selected FRDM64F board since the clock circuit of my project is the same as that in FRDM64F, and the clock_config.c/h works fine.

pastedImage_1.png

pastedImage_2.png

2,688件の閲覧回数
zhiqunhu
Contributor III

Update:

Since basically I have the same source code for both KDS and MCUXpresso projects (the one in MCUXpresso only has some minor modifications to adapt the syntax changes in the device driver of SDK 2.5), and I have swapped fsl_flexcan.c/h files between KDS/SDK2.3 and MCUXpresso/SDK2.5 as I reported in my previous post, I knew the issue is somewhere else, most likely it could be related to CAN clock configuration.

I measure the timing of the CAN frame waveform, and find out the bit-time is incorrect in MCUXpresso project. The bit-time should be 4us (250kbs bit-rate), but the measurement shows the bit-time is 3.8us. The error is only 5%, but it is enough to cause other CAN receivers in my CAN network not to respond to the frame. Thus the CAN controller is locked up in the re-transmit mode to keep sending the frame, and that is why I observed TX MBOX is not available after its first sending in my previous post.     

I tried to copy fsl_clock.c/h in SDK2.3/KDS into SDK2.5/MCUXpresso, and made some simple changes to satisfy the other device drivers in SDK 2.5, but unfortunately, after all, the CAN bit-time is still incorrect, so I still see the same result. I guess there are probably more files needed to look into. 

If somebody else has ported his KDS/SDK2.0-3 project to MCUXpresso/SDK2.4-5, he should have the same issue, I guess the issue may be related to the newly released SDK2.5.

2,688件の閲覧回数
knovinger
Contributor III

The issue is with default settings of the clock_config.c/h files added to the project when it is created thru the MCUXpresso New project wizard.  If the project is created without specifying a board file, generic clock_config.c/h files are generated.  The clocks are configured based on the parameters defined in the system_MK??? file found in the Device folder of the project.  You can use the Clock Config Tool within the IDE to configure the clock parameters.

If referencing a previous project, you can compare the old clock_config.c/h files to recreate new ones compatible with the latest drivers.

One thing that's annoying is that the files created when no board file is selected, includes a function called BOARD_InitBootClocks which gets included in the main function for clock initialization. 

generic main function

int main(void) {
   /* Init board hardware. */
    BOARD_InitBootPins();
    BOARD_InitBootClocks();
    BOARD_InitBootPeripherals();
   /* Init FSL debug console. */
 BOARD_InitDebugConsole();

..........‍‍‍‍‍‍‍‍‍

generic clock_config.h

/*
 * Copyright 2017-2018 NXP
 * All rights reserved.
 *
 * Redistribution and use in source and binary forms, with or without modification,
 * are permitted provided that the following conditions are met:
 *
 * o Redistributions of source code must retain the above copyright notice, this list
 *   of conditions and the following disclaimer.
 *
 * o Redistributions in binary form must reproduce the above copyright notice, this
 *   list of conditions and the following disclaimer in the documentation and/or
 *   other materials provided with the distribution.
 *
 * o Neither the name of NXP Semiconductor, Inc. nor the names of its
 *   contributors may be used to endorse or promote products derived from this
 *   software without specific prior written permission.
 *
 * THIS SOFTWARE IS PROVIDED BY THE COPYRIGHT HOLDERS AND CONTRIBUTORS "AS IS" AND
 * ANY EXPRESS OR IMPLIED WARRANTIES, INCLUDING, BUT NOT LIMITED TO, THE IMPLIED
 * WARRANTIES OF MERCHANTABILITY AND FITNESS FOR A PARTICULAR PURPOSE ARE
 * DISCLAIMED. IN NO EVENT SHALL THE COPYRIGHT HOLDER OR CONTRIBUTORS BE LIABLE FOR
 * ANY DIRECT, INDIRECT, INCIDENTAL, SPECIAL, EXEMPLARY, OR CONSEQUENTIAL DAMAGES
 * (INCLUDING, BUT NOT LIMITED TO, PROCUREMENT OF SUBSTITUTE GOODS OR SERVICES;
 * LOSS OF USE, DATA, OR PROFITS; OR BUSINESS INTERRUPTION) HOWEVER CAUSED AND ON
 * ANY THEORY OF LIABILITY, WHETHER IN CONTRACT, STRICT LIABILITY, OR TORT
 * (INCLUDING NEGLIGENCE OR OTHERWISE) ARISING IN ANY WAY OUT OF THE USE OF THIS
 * SOFTWARE, EVEN IF ADVISED OF THE POSSIBILITY OF SUCH DAMAGE.
 */

/**
 * @file    clock_config.h
 * @brief   Board clocks header file.
 */
 
/* This is a template for board specific configuration created by MCUXpresso IDE Project Wizard.*/

#ifndef _CLOCK_CONFIG_H_
#define _CLOCK_CONFIG_H_

#if defined(__cplusplus)
extern "C" {
#endif /* __cplusplus */

/**
 * @brief  Initialize board clocks.
 */
void BOARD_InitBootClocks(void);

#if defined(__cplusplus)
}
#endif /* __cplusplus */

#endif /* _CLOCK_CONFIG_H_ */


‍‍‍‍‍‍‍‍‍‍‍‍‍‍‍‍‍‍‍‍‍‍‍‍‍‍‍‍‍‍‍‍‍‍‍‍‍‍‍‍‍‍‍‍‍‍‍‍‍‍‍‍‍‍‍‍

generic clock_config.c

/*
 * Copyright 2017-2018 NXP
 * All rights reserved.
 *
 * Redistribution and use in source and binary forms, with or without modification,
 * are permitted provided that the following conditions are met:
 *
 * o Redistributions of source code must retain the above copyright notice, this list
 *   of conditions and the following disclaimer.
 *
 * o Redistributions in binary form must reproduce the above copyright notice, this
 *   list of conditions and the following disclaimer in the documentation and/or
 *   other materials provided with the distribution.
 *
 * o Neither the name of NXP Semiconductor, Inc. nor the names of its
 *   contributors may be used to endorse or promote products derived from this
 *   software without specific prior written permission.
 *
 * THIS SOFTWARE IS PROVIDED BY THE COPYRIGHT HOLDERS AND CONTRIBUTORS "AS IS" AND
 * ANY EXPRESS OR IMPLIED WARRANTIES, INCLUDING, BUT NOT LIMITED TO, THE IMPLIED
 * WARRANTIES OF MERCHANTABILITY AND FITNESS FOR A PARTICULAR PURPOSE ARE
 * DISCLAIMED. IN NO EVENT SHALL THE COPYRIGHT HOLDER OR CONTRIBUTORS BE LIABLE FOR
 * ANY DIRECT, INDIRECT, INCIDENTAL, SPECIAL, EXEMPLARY, OR CONSEQUENTIAL DAMAGES
 * (INCLUDING, BUT NOT LIMITED TO, PROCUREMENT OF SUBSTITUTE GOODS OR SERVICES;
 * LOSS OF USE, DATA, OR PROFITS; OR BUSINESS INTERRUPTION) HOWEVER CAUSED AND ON
 * ANY THEORY OF LIABILITY, WHETHER IN CONTRACT, STRICT LIABILITY, OR TORT
 * (INCLUDING NEGLIGENCE OR OTHERWISE) ARISING IN ANY WAY OUT OF THE USE OF THIS
 * SOFTWARE, EVEN IF ADVISED OF THE POSSIBILITY OF SUCH DAMAGE.
 */

/* TEXT BELOW IS USED AS SETTING FOR TOOLS *************************************
!!GlobalInfo
product: Clocks v4.0
* BE CAREFUL MODIFYING THIS COMMENT - IT IS YAML SETTINGS FOR TOOLS **********/

/**
 * @file    clock_config.c
 * @brief   Board clocks initialization file.
 */
 
/* This is a template for board specific configuration created by MCUXpresso IDE Project Wizard.*/

#include "MK64F12.h"
#include "clock_config.h"

/**
 * @brief Set up and initialize all required blocks and functions related to the board hardware.
 */
void BOARD_InitBootClocks(void) {
 /* The user initialization should be placed here */

 /* Read core clock setting. */
 SystemCoreClockUpdate();
}
‍‍‍‍‍‍‍‍‍‍‍‍‍‍‍‍‍‍‍‍‍‍‍‍‍‍‍‍‍‍‍‍‍‍‍‍‍‍‍‍‍‍‍‍‍‍‍‍‍‍‍‍‍‍

SystemCoreClockUpdate() for generic clock configuration from system_MK???.c file located in the Device folder

/* ----------------------------------------------------------------------------
   -- SystemCoreClockUpdate()
   ---------------------------------------------------------------------------- */

void SystemCoreClockUpdate (void) {
  uint32_t MCGOUTClock;                /* Variable to store output clock frequency of the MCG module */
  uint16_t Divider;

  if ((MCG->C1 & MCG_C1_CLKS_MASK) == 0x00U) {
    /* Output of FLL or PLL is selected */
    if ((MCG->C6 & MCG_C6_PLLS_MASK) == 0x00U) {
      /* FLL is selected */
      if ((MCG->C1 & MCG_C1_IREFS_MASK) == 0x00U) {
        /* External reference clock is selected */
        switch (MCG->C7 & MCG_C7_OSCSEL_MASK) {
        case 0x00U:
          MCGOUTClock = CPU_XTAL_CLK_HZ; /* System oscillator drives MCG clock */
          break;
        case 0x01U:
          MCGOUTClock = CPU_XTAL32k_CLK_HZ; /* RTC 32 kHz oscillator drives MCG clock */
          break;
        case 0x02U:
        default:
          MCGOUTClock = CPU_INT_IRC_CLK_HZ; /* IRC 48MHz oscillator drives MCG clock */
          break;
        }
        if (((MCG->C2 & MCG_C2_RANGE_MASK) != 0x00U) && ((MCG->C7 & MCG_C7_OSCSEL_MASK) != 0x01U)) {
          switch (MCG->C1 & MCG_C1_FRDIV_MASK) {
          case 0x38U:
            Divider = 1536U;
            break;
          case 0x30U:
            Divider = 1280U;
            break;
          default:
            Divider = (uint16_t)(32LU << ((MCG->C1 & MCG_C1_FRDIV_MASK) >> MCG_C1_FRDIV_SHIFT));
            break;
          }
        } else {/* ((MCG->C2 & MCG_C2_RANGE_MASK) != 0x00U) */
          Divider = (uint16_t)(1LU << ((MCG->C1 & MCG_C1_FRDIV_MASK) >> MCG_C1_FRDIV_SHIFT));
        }
        MCGOUTClock = (MCGOUTClock / Divider); /* Calculate the divided FLL reference clock */
      } else { /* (!((MCG->C1 & MCG_C1_IREFS_MASK) == 0x00U)) */
        MCGOUTClock = CPU_INT_SLOW_CLK_HZ; /* The slow internal reference clock is selected */
      } /* (!((MCG->C1 & MCG_C1_IREFS_MASK) == 0x00U)) */
      /* Select correct multiplier to calculate the MCG output clock  */
      switch (MCG->C4 & (MCG_C4_DMX32_MASK | MCG_C4_DRST_DRS_MASK)) {
        case 0x00U:
          MCGOUTClock *= 640U;
          break;
        case 0x20U:
          MCGOUTClock *= 1280U;
          break;
        case 0x40U:
          MCGOUTClock *= 1920U;
          break;
        case 0x60U:
          MCGOUTClock *= 2560U;
          break;
        case 0x80U:
          MCGOUTClock *= 732U;
          break;
        case 0xA0U:
          MCGOUTClock *= 1464U;
          break;
        case 0xC0U:
          MCGOUTClock *= 2197U;
          break;
        case 0xE0U:
          MCGOUTClock *= 2929U;
          break;
        default:
          break;
      }
    } else { /* (!((MCG->C6 & MCG_C6_PLLS_MASK) == 0x00U)) */
      /* PLL is selected */
      Divider = (((uint16_t)MCG->C5 & MCG_C5_PRDIV0_MASK) + 0x01U);
      MCGOUTClock = (uint32_t)(CPU_XTAL_CLK_HZ / Divider); /* Calculate the PLL reference clock */
      Divider = (((uint16_t)MCG->C6 & MCG_C6_VDIV0_MASK) + 24U);
      MCGOUTClock *= Divider;          /* Calculate the MCG output clock */
    } /* (!((MCG->C6 & MCG_C6_PLLS_MASK) == 0x00U)) */
  } else if ((MCG->C1 & MCG_C1_CLKS_MASK) == 0x40U) {
    /* Internal reference clock is selected */
    if ((MCG->C2 & MCG_C2_IRCS_MASK) == 0x00U) {
      MCGOUTClock = CPU_INT_SLOW_CLK_HZ; /* Slow internal reference clock selected */
    } else { /* (!((MCG->C2 & MCG_C2_IRCS_MASK) == 0x00U)) */
      Divider = (uint16_t)(0x01LU << ((MCG->SC & MCG_SC_FCRDIV_MASK) >> MCG_SC_FCRDIV_SHIFT));
      MCGOUTClock = (uint32_t) (CPU_INT_FAST_CLK_HZ / Divider); /* Fast internal reference clock selected */
    } /* (!((MCG->C2 & MCG_C2_IRCS_MASK) == 0x00U)) */
  } else if ((MCG->C1 & MCG_C1_CLKS_MASK) == 0x80U) {
    /* External reference clock is selected */
    switch (MCG->C7 & MCG_C7_OSCSEL_MASK) {
    case 0x00U:
      MCGOUTClock = CPU_XTAL_CLK_HZ;   /* System oscillator drives MCG clock */
      break;
    case 0x01U:
      MCGOUTClock = CPU_XTAL32k_CLK_HZ; /* RTC 32 kHz oscillator drives MCG clock */
      break;
    case 0x02U:
    default:
      MCGOUTClock = CPU_INT_IRC_CLK_HZ; /* IRC 48MHz oscillator drives MCG clock */
      break;
    }
  } else { /* (!((MCG->C1 & MCG_C1_CLKS_MASK) == 0x80U)) */
    /* Reserved value */
    return;
  } /* (!((MCG->C1 & MCG_C1_CLKS_MASK) == 0x80U)) */
  SystemCoreClock = (MCGOUTClock / (0x01U + ((SIM->CLKDIV1 & SIM_CLKDIV1_OUTDIV1_MASK) >> SIM_CLKDIV1_OUTDIV1_SHIFT)));
}‍‍‍‍‍‍‍‍‍‍‍‍‍‍‍‍‍‍‍‍‍‍‍‍‍‍‍‍‍‍‍‍‍‍‍‍‍‍‍‍‍‍‍‍‍‍‍‍‍‍‍‍‍‍‍‍‍‍‍‍‍‍‍‍‍‍‍‍‍‍‍‍‍‍‍‍‍‍‍‍‍‍‍‍‍‍‍‍‍‍‍‍‍‍‍‍‍‍‍‍‍‍‍‍‍‍‍‍‍

If you then use the Clock utility to configure the clocks and use the generated c and h files, BOARD_InitBootClocks no longer exists and instead is replaced with BOARD_BootClockRUN.  This requires the main function to be manually updated once the clock_config files are modified.

Example Clock Diagram configuration using Clock Config Tool

MCUXpresso IDE.png

clock_config.h example output from Clock Config Tool

/***********************************************************************************************************************
 * This file was generated by the MCUXpresso Config Tools. Any manual edits made to this file
 * will be overwritten if the respective MCUXpresso Config Tools is used to update this file.
 **********************************************************************************************************************/

#ifndef _CLOCK_CONFIG_H_
#define _CLOCK_CONFIG_H_

#include "fsl_common.h"

/*******************************************************************************
 * Definitions
 ******************************************************************************/
#define BOARD_XTAL0_CLK_HZ                         50000000U  /*!< Board xtal0 frequency in Hz */

/*******************************************************************************
 ************************ BOARD_InitBootClocks function ************************
 ******************************************************************************/

#if defined(__cplusplus)
extern "C" {
#endif /* __cplusplus*/

/*!
 * @brief This function executes default configuration of clocks.
 *
 */
void BOARD_InitBootClocks(void);

#if defined(__cplusplus)
}
#endif /* __cplusplus*/

/*******************************************************************************
 ********************** Configuration BOARD_BootClockRUN ***********************
 ******************************************************************************/
/*******************************************************************************
 * Definitions for BOARD_BootClockRUN configuration
 ******************************************************************************/
#define BOARD_BOOTCLOCKRUN_CORE_CLOCK             120000000U  /*!< Core clock frequency: 120000000Hz */

/*! @brief MCG set for BOARD_BootClockRUN configuration.
 */
extern const mcg_config_t mcgConfig_BOARD_BootClockRUN;
/*! @brief SIM module set for BOARD_BootClockRUN configuration.
 */
extern const sim_clock_config_t simConfig_BOARD_BootClockRUN;
/*! @brief OSC set for BOARD_BootClockRUN configuration.
 */
extern const osc_config_t oscConfig_BOARD_BootClockRUN;

/*******************************************************************************
 * API for BOARD_BootClockRUN configuration
 ******************************************************************************/
#if defined(__cplusplus)
extern "C" {
#endif /* __cplusplus*/

/*!
 * @brief This function executes configuration of clocks.
 *
 */
void BOARD_BootClockRUN(void);

#if defined(__cplusplus)
}
#endif /* __cplusplus*/

#endif /* _CLOCK_CONFIG_H_ */

‍‍‍‍‍‍‍‍‍‍‍‍‍‍‍‍‍‍‍‍‍‍‍‍‍‍‍‍‍‍‍‍‍‍‍‍‍‍‍‍‍‍‍‍‍‍‍‍‍‍‍‍‍‍‍‍‍‍‍‍‍‍‍‍‍‍‍‍‍‍

clock_config.c example output from Clock Config Tool

/***********************************************************************************************************************
 * This file was generated by the MCUXpresso Config Tools. Any manual edits made to this file
 * will be overwritten if the respective MCUXpresso Config Tools is used to update this file.
 **********************************************************************************************************************/
/*
 * How to setup clock using clock driver functions:
 *
 * 1. CLOCK_SetSimSafeDivs, to make sure core clock, bus clock, flexbus clock
 *    and flash clock are in allowed range during clock mode switch.
 *
 * 2. Call CLOCK_Osc0Init to setup OSC clock, if it is used in target mode.
 *
 * 3. Set MCG configuration, MCG includes three parts: FLL clock, PLL clock and
 *    internal reference clock(MCGIRCLK). Follow the steps to setup:
 *
 *    1). Call CLOCK_BootToXxxMode to set MCG to target mode.
 *
 *    2). If target mode is FBI/BLPI/PBI mode, the MCGIRCLK has been configured
 *        correctly. For other modes, need to call CLOCK_SetInternalRefClkConfig
 *        explicitly to setup MCGIRCLK.
 *
 *    3). Don't need to configure FLL explicitly, because if target mode is FLL
 *        mode, then FLL has been configured by the function CLOCK_BootToXxxMode,
 *        if the target mode is not FLL mode, the FLL is disabled.
 *
 *    4). If target mode is PEE/PBE/PEI/PBI mode, then the related PLL has been
 *        setup by CLOCK_BootToXxxMode. In FBE/FBI/FEE/FBE mode, the PLL could
 *        be enabled independently, call CLOCK_EnablePll0 explicitly in this case.
 *
 * 4. Call CLOCK_SetSimConfig to set the clock configuration in SIM.
 */

/* clang-format off */
/* TEXT BELOW IS USED AS SETTING FOR TOOLS *************************************
!!GlobalInfo
product: Clocks v5.0
processor: MK64FN1M0xxx12
package_id: MK64FN1M0VLQ12
mcu_data: ksdk2_0
processor_version: 5.0.0
 * BE CAREFUL MODIFYING THIS COMMENT - IT IS YAML SETTINGS FOR TOOLS **********/
/* clang-format on */

#include "clock_config.h"

/*******************************************************************************
 * Definitions
 ******************************************************************************/
#define MCG_PLL_DISABLE                                   0U  /*!< MCGPLLCLK disabled */
#define OSC_CAP0P                                         0U  /*!< Oscillator 0pF capacitor load */
#define SIM_OSC32KSEL_RTC32KCLK_CLK                       2U  /*!< OSC32KSEL select: RTC32KCLK clock (32.768kHz) */
#define SIM_PLLFLLSEL_MCGPLLCLK_CLK                       1U  /*!< PLLFLL select: MCGPLLCLK clock */

/*******************************************************************************
 * Variables
 ******************************************************************************/
/* System clock frequency. */
extern uint32_t SystemCoreClock;

/*******************************************************************************
 * Code
 ******************************************************************************/
/*FUNCTION**********************************************************************
 *
 * Function Name : CLOCK_CONFIG_SetFllExtRefDiv
 * Description   : Configure FLL external reference divider (FRDIV).
 * Param frdiv   : The value to set FRDIV.
 *
 *END**************************************************************************/
static void CLOCK_CONFIG_SetFllExtRefDiv(uint8_t frdiv)
{
    MCG->C1 = ((MCG->C1 & ~MCG_C1_FRDIV_MASK) | MCG_C1_FRDIV(frdiv));
}

/*******************************************************************************
 ************************ BOARD_InitBootClocks function ************************
 ******************************************************************************/
void BOARD_InitBootClocks(void)
{
    BOARD_BootClockRUN();
}

/*******************************************************************************
 ********************** Configuration BOARD_BootClockRUN ***********************
 ******************************************************************************/
/* clang-format off */
/* TEXT BELOW IS USED AS SETTING FOR TOOLS *************************************
!!Configuration
name: BOARD_BootClockRUN
called_from_default_init: true
outputs:
- {id: Bus_clock.outFreq, value: 60 MHz, locked: true, accuracy: '0.001'}
- {id: Core_clock.outFreq, value: 120 MHz, locked: true, accuracy: '0.001'}
- {id: Flash_clock.outFreq, value: 24 MHz, locked: true, accuracy: '0.001'}
- {id: FlexBus_clock.outFreq, value: 40 MHz}
- {id: LPO_clock.outFreq, value: 1 kHz}
- {id: MCGFFCLK.outFreq, value: 781.25/2 kHz}
- {id: MCGIRCLK.outFreq, value: 32.768 kHz}
- {id: OSCERCLK.outFreq, value: 50 MHz}
- {id: PLLFLLCLK.outFreq, value: 120 MHz}
- {id: System_clock.outFreq, value: 120 MHz, locked: true, accuracy: '0.001'}
settings:
- {id: MCGMode, value: PEE}
- {id: MCG.FCRDIV.scale, value: '1', locked: true}
- {id: MCG.FRDIV.scale, value: '128', locked: true}
- {id: MCG.IREFS.sel, value: MCG.FRDIV}
- {id: MCG.PLLS.sel, value: MCG.PLL}
- {id: MCG.PRDIV.scale, value: '20', locked: true}
- {id: MCG.VDIV.scale, value: '48', locked: true}
- {id: MCG_C1_IRCLKEN_CFG, value: Enabled}
- {id: OSC_CR_ERCLKEN_CFG, value: Enabled}
- {id: RTC_CR_OSCE_CFG, value: Enabled}
- {id: SIM.OSC32KSEL.sel, value: RTC.RTC32KCLK}
- {id: SIM.OUTDIV2.scale, value: '2'}
- {id: SIM.OUTDIV3.scale, value: '3', locked: true}
- {id: SIM.OUTDIV4.scale, value: '5'}
- {id: SIM.PLLFLLSEL.sel, value: MCG.MCGPLLCLK}
sources:
- {id: OSC.OSC.outFreq, value: 50 MHz, enabled: true}
 * BE CAREFUL MODIFYING THIS COMMENT - IT IS YAML SETTINGS FOR TOOLS **********/
/* clang-format on */

/*******************************************************************************
 * Variables for BOARD_BootClockRUN configuration
 ******************************************************************************/
const mcg_config_t mcgConfig_BOARD_BootClockRUN =
    {
        .mcgMode = kMCG_ModePEE,                  /* PEE - PLL Engaged External */
        .irclkEnableMode = kMCG_IrclkEnable,      /* MCGIRCLK enabled, MCGIRCLK disabled in STOP mode */
        .ircs = kMCG_IrcSlow,                     /* Slow internal reference clock selected */
        .fcrdiv = 0x0U,                           /* Fast IRC divider: divided by 1 */
        .frdiv = 0x7U,                            /* FLL reference clock divider: divided by 128 */
        .drs = kMCG_DrsLow,                       /* Low frequency range */
        .dmx32 = kMCG_Dmx32Default,               /* DCO has a default range of 25% */
        .oscsel = kMCG_OscselOsc,                 /* Selects System Oscillator (OSCCLK) */
        .pll0Config =
            {
                .enableMode = MCG_PLL_DISABLE,    /* MCGPLLCLK disabled */
                .prdiv = 0x13U,                   /* PLL Reference divider: divided by 20 */
                .vdiv = 0x18U,                    /* VCO divider: multiplied by 48 */
            },
    };
const sim_clock_config_t simConfig_BOARD_BootClockRUN =
    {
        .pllFllSel = SIM_PLLFLLSEL_MCGPLLCLK_CLK, /* PLLFLL select: MCGPLLCLK clock */
        .er32kSrc = SIM_OSC32KSEL_RTC32KCLK_CLK,  /* OSC32KSEL select: RTC32KCLK clock (32.768kHz) */
        .clkdiv1 = 0x1240000U,                    /* SIM_CLKDIV1 - OUTDIV1: /1, OUTDIV2: /2, OUTDIV3: /3, OUTDIV4: /5 */
    };
const osc_config_t oscConfig_BOARD_BootClockRUN =
    {
        .freq = 50000000U,                        /* Oscillator frequency: 50000000Hz */
        .capLoad = (OSC_CAP0P),                   /* Oscillator capacity load: 0pF */
        .workMode = kOSC_ModeExt,                 /* Use external clock */
        .oscerConfig =
            {
                .enableMode = kOSC_ErClkEnable,   /* Enable external reference clock, disable external reference clock in STOP mode */
            }
    };

/*******************************************************************************
 * Code for BOARD_BootClockRUN configuration
 ******************************************************************************/
void BOARD_BootClockRUN(void)
{
    /* Set the system clock dividers in SIM to safe value. */
    CLOCK_SetSimSafeDivs();
    /* Initializes OSC0 according to board configuration. */
    CLOCK_InitOsc0(&oscConfig_BOARD_BootClockRUN);
    CLOCK_SetXtal0Freq(oscConfig_BOARD_BootClockRUN.freq);
    /* Configure the Internal Reference clock (MCGIRCLK). */
    CLOCK_SetInternalRefClkConfig(mcgConfig_BOARD_BootClockRUN.irclkEnableMode,
                                  mcgConfig_BOARD_BootClockRUN.ircs, 
                                  mcgConfig_BOARD_BootClockRUN.fcrdiv);
    /* Configure FLL external reference divider (FRDIV). */
    CLOCK_CONFIG_SetFllExtRefDiv(mcgConfig_BOARD_BootClockRUN.frdiv);
    /* Set MCG to PEE mode. */
    CLOCK_BootToPeeMode(mcgConfig_BOARD_BootClockRUN.oscsel,
                        kMCG_PllClkSelPll0,
                        &mcgConfig_BOARD_BootClockRUN.pll0Config);
    /* Set the clock configuration in SIM module. */
    CLOCK_SetSimConfig(&simConfig_BOARD_BootClockRUN);
    /* Set SystemCoreClock variable. */
    SystemCoreClock = BOARD_BOOTCLOCKRUN_CORE_CLOCK;
}

‍‍‍‍‍‍‍‍‍‍‍‍‍‍‍‍‍‍‍‍‍‍‍‍‍‍‍‍‍‍‍‍‍‍‍‍‍‍‍‍‍‍‍‍‍‍‍‍‍‍‍‍‍‍‍‍‍‍‍‍‍‍‍‍‍‍‍‍‍‍‍‍‍‍‍‍‍‍‍‍‍‍‍‍‍‍‍‍‍‍‍‍‍‍‍‍‍‍‍‍‍‍‍‍‍‍‍‍‍‍‍‍‍‍‍‍‍‍‍‍‍‍‍‍‍‍‍‍‍‍‍‍‍‍‍‍‍‍‍‍‍‍‍‍‍‍‍‍‍‍‍‍‍‍‍‍‍‍‍‍‍‍‍‍‍‍‍‍‍‍‍‍‍‍‍‍‍‍‍‍‍‍‍‍‍

custom/project specific main function

int main(void)
{
BaseType_t error;
int i;

    // Init board hardware
    BOARD_InitPins();
    BOARD_BootClockRUN();

...........‍‍‍‍‍‍‍‍‍‍