Hello @PeterHimmerich,
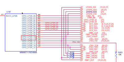
I noticed in your configuration that you're currently using GPIO_LPSR_10 and GPIO_LPSR_11 as LPUART12 TXD and RXD. where these pins are also connected to LPSPI6_SCK and LPSPI6_SDO on the RT1170-EVKB, as shown in the image below:

These SPI signals are routed through jumpers to the J26 connector pins.

Is this the routing you intend to use?
Alternatively, you could use GPIO_LPSR_06 and GPIO_LPSR_07 for LPUART12. These pins are also routed to the Arduino header on J9, specifically to pins 2 and 4. The only difference is that you would need to populate R1888 and R1889, as they are not populated by default. This is illustrated in the following image:

BR
Habib