How to connect LS1043A to a Switch using RGMII

cancel
Showing results for 
Show  only  | Search instead for 
Did you mean: 

How to connect LS1043A to a Switch using RGMII

2,984 Views
danielzdh
Contributor I

Our design needs to connect a switch chip with the rgmii interface of LS1043A. The MARVELL 88E6390 11 port GE Switch is connected to EC2 using RGMII. We don't know how to connect the RGMII signals. 

Option A:

88E_INCLK---------------EC2_GTX_CLK

88E_IND[3:0]-------------EC2_TXD[3:0]

88E_INDV-----------------EC2_TX_EN

88E_OUTCLK------------EC2_RX_CLK

88E_OUTD[3:0]----------EC2_RXD[3:0]

88E_OUTEN--------------EC2_RX_DV

 

Option B:

88E_INCLK---------------EC2_RX_CLK

88E_IND[3:0]-------------EC2_RXD[3:0]

88E_INDV-----------------EC2_RX_DV

88E_OUTCLK------------EC2_GTX_CLK

88E_OUTD[3:0]----------EC2_TXD[3:0]

88E_OUTEN--------------EC2_TX_EN

 

 

Which option is correct and why?

Labels (1)
Tags (2)
0 Kudos
Reply
4 Replies

2,881 Views
ufedor
NXP Employee
NXP Employee

Please provide the Switch Data Sheet.

0 Kudos
Reply

2,881 Views
danielzdh
Contributor I

The Data Sheet has been added to the attachment of the question. Thank you!

0 Kudos
Reply

2,881 Views
ufedor
NXP Employee
NXP Employee

From the provided data sheet:

88E6390 Signal

RGMII function

P0_INCLK

RXC

P0_INDV

RX_CTL

P0_IND[3:0]

RXD[3:0]

P0_OUTCLK

TXC

P0_OUTEN

TX_CTL

P0_OUTD[3:0]

TXD[3:0]

So option A is correct.

0 Kudos
Reply

2,882 Views
danielzdh
Contributor I

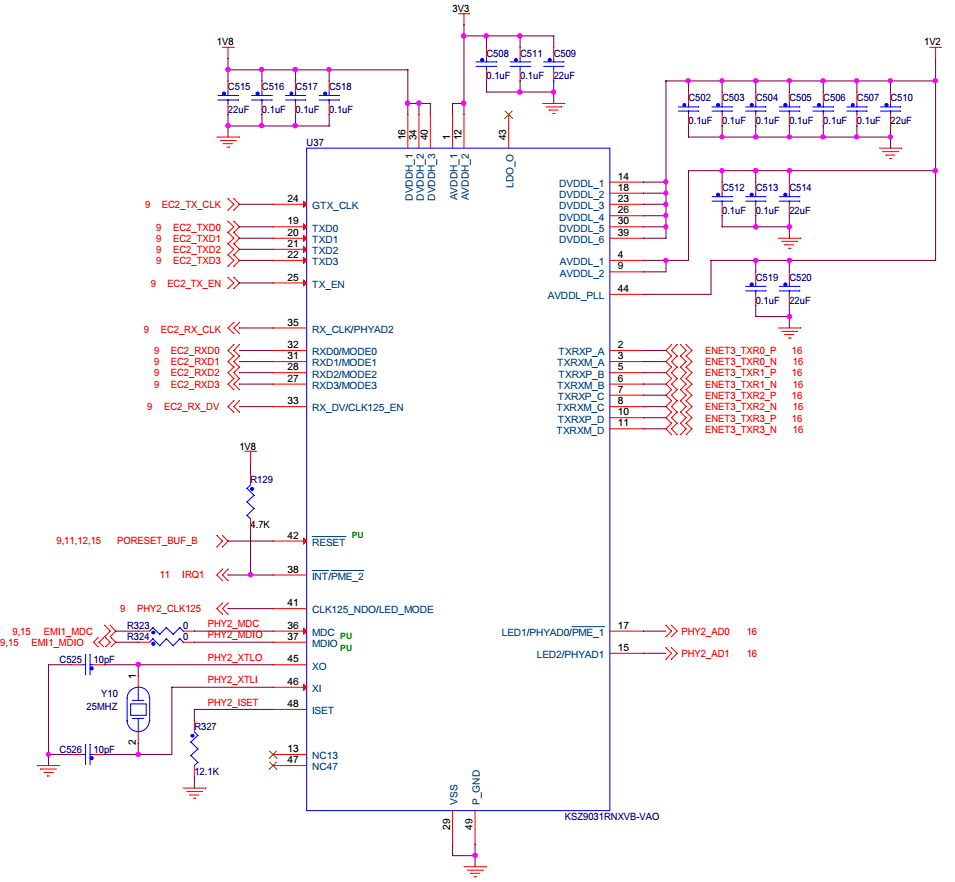
Thank you for your reply, but according to the reference design(MPC-LS Vehicle Network Processing reference design), the connection between ls1043a and ksz9031 uses the scheme of Option B.

pastedImage_1.png
Therefore, when Option A should be adopted and when Option B should be adopted?

0 Kudos
Reply