What is are the resistor values permitted on Vbus for the LPC1837

取消
显示结果 
显示  仅  | 搜索替代 
您的意思是: 

What is are the resistor values permitted on Vbus for the LPC1837

3,365 次查看
n_boucquey
Contributor I

Hello,

We have implemented the Vbus protection circuit for the LPC1837JET100 (Figure 46 in datasheet p.136). The goal is to avoid the 5 V to be applied on the USBx_VBUS pin when there is no VDDIO. The datasheet specifies the voltage on that pin to be within 3.6 V and 0.7*VDDIO. 

We used the resistor values (names from the datasheet figure) R2 = 10k and R3 = 12k. Which leads to a voltage on the pin of 2.7 V when the Vbus is 5 V. 

Unfortunately, when connecting the USB to a desktop, the device is not recognized.

We solved that problem by replacing the resistor values by R2 = 150 R and R3 = 270 R. 

Is there a range for these resistor values ? 

Could you please explain why the resistor should be lower ? 

What are the values you would recommend ? 

Many thanks in advance,

Best regards,

Nicolas Boucquey

0 项奖励
回复
4 回复数

3,275 次查看
padraig_fogarty
Contributor III

Nicolas

I'm working with a different processor but have encountered the same problem. In my view the datasheet for these LPC devices is misleading with regard to VBUS.

To the best of my knowledge, during enueration/connection the USB specification requires the device to attach an internal pull-up or pull-down resistor to the bus (depending upon bus speed). This resistor should be reference to a 3.3V rail and this should only be present when VBUS is.

In other words I would suggest you setup a divider to give 3.3V at the LPC device USBx_VBUS input pin, 1K Ohm and 2.2K Ohm seem to work well and these values do no draw too much current from VBUS.

Regards,

Padraig

0 项奖励
回复

3,275 次查看
xiangjun_rong
NXP TechSupport
NXP TechSupport

Hi, Nicolas,

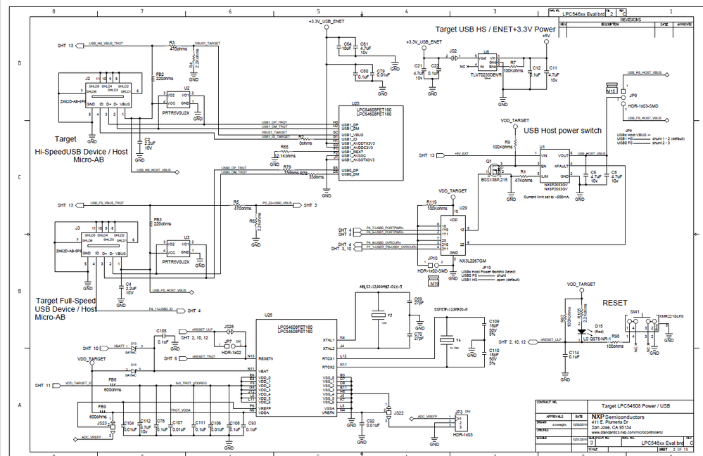
I think the USBx_VBUS input pin requires power, in our data sheet, we do not specify the current of the pin. I have checked the schematics of the latest LPC546xx, the serial resistor is 470+220=690 ohm. But in the schematics of LPC546xx, the VBUS node of USB connector provides power for the VDD pin of LPC546xx  processor via an external regulator, we can guarantee that VDD is powered when the USBx_VBUS signal is available, so the scenario is different from yours.

I think you can refer to the the resistor value level for the R2/R3 divider.

Hope it can help you

BR

XiangJun Rong

pastedImage_1.png

0 项奖励
回复

3,275 次查看
padraig_fogarty
Contributor III

I think there is an error in the response above i.e. the "470+220=690 ohm" does not seem correct to me.

I presume the 220 Ohm comes from the annotation on FB3, which being a ferrite may have this impedence at high frequency (e.g. 100MHz) but is very unlikely to have such as high resistance at DC. So for DC I would imagine that its resistance is zero (or practically so) and should not be included.

In any case, I think the divider ratio used on this eval board (FB3 included or not) results in a voltage which is higher than the recommended VBUS voltage in the device datasheet.

It would good if NXP could verify this, as many people will simply copy the eval board wrongly presuming that it is correct.

Regards,

Padraig

0 项奖励
回复

1,940 次查看
steve_scion
Contributor I

Hi,

I found this thread whilst trying to debug device USB not working on our new hardware (LPC54018 based) which was using 10K and 15K divider resistors for VBUS. Changing these to 470R and 1K fixed the problem and the it now enumerates correctly. Prior to the change VBUS measured at 2.8V, after the change VBUS measured at 3.5V (incoming USB voltage was approx. 5.2V).

It seems that some NXP devices (all?) draw power from the VBUS pin (or at least have a pull-down), it would be helpful if NXP could document this so that it is clear in the datasheet to avoid these mistakes.

Thanks,

Steve

0 项奖励
回复