Vbat Operation on LPC55S28JBD100 MCU

cancel
Showing results for 
Show  only  | Search instead for 
Did you mean: 

Vbat Operation on LPC55S28JBD100 MCU

14,902 Views
saisivaraj
Contributor I

Hi All,

I was going through the datasheet of LPC55S28JBD100 , There is no dedicated Vbat pin . Instead there is VBAT_DCDC and VBAT_PMU. As per pin description, VBAT_DCDC pin is output of DC DC convertor block and VBAT_PMU is analog supply. To which pin i need to connect the the battery to MCU for battery operation when main supply VDD is absent.

Does the battery powers  to RTC , crystals section or it powers peripherals & cores too?

Does Peripheral such as I2C can be operate with battery? when main VDD power is not present.

If i need to operate the peripherals such as I2C in battery operation which operating mode i need to select in software?

0 Kudos
Reply
7 Replies

14,852 Views
saisivaraj
Contributor I

Currently we are looking for the possible approach for Switching between Main supply (LDO) and Vbat Operation. 

We have Two backup supplies requirement , Battery and supercap. Either one of the backup supplies is selected but provision should be provided for both (either one of the backup circuit component will be mounted) and other is made DNI(Do not populate)

Super cap back supply is only for RTC and monitor and logging the tampering Events connected to Vbat pin (if Super cap is selected as backup supply by enduser)

we have also have one ADC monitoring 24V from which the 3.3V is derived.

Also there is energy hold up circuit for 3.3V upto 500ms (upto which LDO supplies power to MCU) to shutdown the MCU as soon the Main power outage .

Battery backup is for RTC , Event logging and also the Peripherals and Core of the MCU and it act as a alternate option for short duration when Main Supply (LDO Voltage) is not present

If Battery backup is selected by enduser, then Vbat pin will not be connected to vbat .Does VDD pins Power to Backup circuitry such as RTC? and Tamper GPIOS?

We have considered some of below approaches and provided thoughts on MCU possible operation mode for Battery and main Backup switching circuit, Whether controller can able to detect and differentiate the power source based on 24V Monitoring ADC able to operate between the run mode and Low power mode during Vbat and again resume to run mode when main power is present. or external wakeup interrupt?

Could you please confirm whether our though process is correct with respect to Ability of MCU to switch the operational modes to save vbat power?

0 Kudos
Reply

14,829 Views
xiangjun_rong
NXP TechSupport
NXP TechSupport

Hi,

I prefer to the approach1 scheme.
 

 

 

xiangjun_rong_0-1632020090251.png

xiangjun_rong_2-1632020278643.png

The above is the LPC552x power pins, the VBAT_DCDC pin provides power for the core and most of peripheral, in other words, the pin provides most of the power for the chip. The VBAT_PMU provides power for the RTC, crystal, PLL..., so if you want to power the RTC while the chip is powered down, you have to connect the super cap to the pin VBAT_PMU. The VDD provides power for the I/O cell, the VDDA provides power for the analog part.

The VBAT_DCDC pin is an input pin for the internal DC/DC converter, the internal DC/DC converter can output 1.1V power for the VDD_PMU via external inductor L1 and capacitor C1.

So I draw a fig manually based on your requirement, pls refer to it. I suppose that you can connect a GPIO pin to the G gate of P MOSFET directly or via a transistor, it is dependent on the G pin driving capability of the P MOSFET.

Because you connect 24V power supply, I think the DC/DC converter is required to get 3.3V for the LPC5528.

Hope it can help you

BR

XiangJun Rong

0 Kudos
Reply

14,828 Views
xiangjun_rong
NXP TechSupport
NXP TechSupport

Hi,

Regarding the detection of the power supply voltage, the LPC55xx has a BOD module, which can detect the VBAT_DCDC pin voltage, when the VBTA_DCDC pin voltage is less than a threshold, an interrupt or RESET can be triggered, furthermore, the threshold level can be set up by firmware, so the external power voltage circuit is unnecessary.

For detailed inf, pls refer to section 13.4.2 VBAT Brown Out Detector (BoD) control register in UM11126.pdf

Hope it can help you

BR

XiangJun Rong

0 Kudos
Reply

14,866 Views
ZhangJennie
NXP TechSupport
NXP TechSupport

Hi

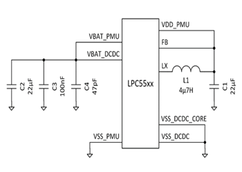
On hardware design, we need to connect VBAT_DCDC and VBAT_PMU pin, refer below EVK schematic:

https://www.nxp.com/webapp/Download?colCode=LPC55S69-SCH

We recommend to connect battery directly to VBAT_DCDC and VBAT_PMU. DC-DC needs a 4µ7H inductor and a 22µF ceramic capacitor. See below

ZhangJennie_0-1630920891898.png

Regarding to RTC power supply of LPC55S6x,pls refer to section 13.2.2 Power domains in UM11126.pdf. The RTC is powered by the PD_AO: Power Domain Always On.
This is LPC55 power supplies

ZhangJennie_1-1630920944980.png

 

The RTC is powered by the PD_AO: Power Domain Always On.

This domain always has power as long as sufficient voltage is available on VBAT ([1.8 V –3.6 V]). You can run the RTC with an external crystal in deep power-down mode.

 

I2C is under PD_CORE power domains. So it's not possible use VBAT for it.

 

Have a nice day

Jun Zhang

0 Kudos
Reply

13,472 Views
Marcel_ArrowCE
Contributor II

Can you share the power domain overview in a higher resolution with me? 

0 Kudos
Reply

13,461 Views
xiangjun_rong
NXP TechSupport
NXP TechSupport

Hi,

I attach the power domain design for LPC55xx family, it adapts to LPC5528.

Hope it can help you

BR

XiangJun Rong

0 Kudos
Reply

14,433 Views
R3to
Contributor I

Hi

The EVK has changed in the meantime, the Battery support has been removed.

I want to backup the RTC date/time only, I'm using an external crystal.According to the datasheet, RTC oscillator running with external crystal (4 KB SRAM powered) drains typ. 790nA.

Is it sufficient if I only connect VBAT_PMU to the battery? When the device is powered on, the VBAT_DCDC will be supplied as well, bur not when it is turned off. Or do I need to supply both VBAT Pins (VBAT_PMU and VBAT_DCDC) with the battery for RTC backup?

I'm thinking about to use a Li-ion Battery with nominal 3.7V and the LDO TPS780 for the VBAT Input, because the Battery voltage range is 2.8 .. 4.2V.

Thanks for the clarification, I think this topic is not fully described in the manual. Often, there is mentioned only "VBAT" but not which one of the both possibilities. If both are the same I wonder why there are two VBAT Pins.

Do you have the power supplies block diagram in a higher resolution?

Thanks, Reto

0 Kudos
Reply