MCU Link with custom LPC5514 board

cancel
Showing results for 
Show  only  | Search instead for 
Did you mean: 

MCU Link with custom LPC5514 board

Jump to solution
3,329 Views
wandaWilliams
Contributor I

I have a custom board with an LPC5514 and I am trying to connect the MCU Link to it over the SWD interface. My understanding is that all we need are:

  • VCC (3.3V)
  • GND 
  • RESET (pin 32)
  • SWDIO (PIO0_12)
  • SWCLK (PIO0_11)

I have powered on the board (3.3V is stable),

  • GND from the MCULink is connected to the GND on my board,
  • IF_RST from MCU_Link is connected to RESET on my board
  • IF_SWDIO from MCU_Link is connected to SWDIO on my board
  • IF_SWCLK from MCU_Link is connected to SWCLK on my board

I am not seeing any response MCUXpresso other than that the target is not connected. 

When not connected, I am seeing activity on the IF_SWCLK and IF_RST pins on the MCU_Link, so I know that the MCU_Link works. But when I connect it to my board, something pulls them low, even when the IF_RST pin is high. It looks like something is not letting the LPC5514 come out of reset, but at the same time, I am not seeing any activity on SWCLK when the two boards are connected. 

What could I be missing?

 

Labels (1)
0 Kudos
Reply
1 Solution
3,309 Views
danielholala
Senior Contributor II

Hi Wanda,

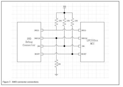
have a look at AN13033 "Hardware Design Guidelines for LPC55(S)xx Microcontrollers".

Chapter 6 provides a sample schematic for the connecting debug signals:

 

danielholala_0-1642330440129.png

The pull up/down resistors are recommended. Give it a try and add them. 

View solution in original post

4 Replies
3,314 Views
wandaWilliams
Contributor I

Hi @danielholala 

The only pin that is pulled up on my board is the RESET pin with a 10k resistor.

 

wandaWilliams_1-1642177500871.png

 

 

 

0 Kudos
Reply
3,310 Views
danielholala
Senior Contributor II

Hi Wanda,

have a look at AN13033 "Hardware Design Guidelines for LPC55(S)xx Microcontrollers".

Chapter 6 provides a sample schematic for the connecting debug signals:

 

danielholala_0-1642330440129.png

The pull up/down resistors are recommended. Give it a try and add them. 

3,300 Views
wandaWilliams
Contributor I

Hi @danielholala, this is super helpful. I used 15k resistors as that is what I have ready access to. It definitely gets me to see changes on the signals. However strangely the RESET pin is toggling like a clock. I had expected (like in SPI) that the RESET pin to stay low (and SWCLK) for the duration of the SWDIO transaction. It looks like I have more work to do; but this is super helpful. Thank you!

0 Kudos
Reply
3,317 Views
danielholala
Senior Contributor II

No pullup/pulldowns? Maybe you could reproduce the relevant part of the schematics for the SWD interface.

0 Kudos
Reply