LPC55S28 unable to connect to JLINK.

cancel
Showing results for 
Show  only  | Search instead for 
Did you mean: 

LPC55S28 unable to connect to JLINK.

1,622 Views
mirhamza708
Contributor I

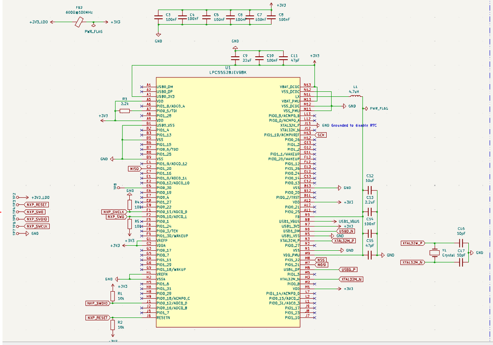
I am unable to connect to the LPC55S28 custom board. my schematics are attached
image.pngimage.png

I am unable to find out any problem with this because I followed the hardware design guide exactly I don't know why its not connecting to jlink. 
I am using Jlink commander V8.12, with Jlink version 12
image.png

The Jlink is working I am able to connect to other MCU targets. Please help where am I doing the mistake?

0 Kudos
Reply
6 Replies

1,317 Views
mirhamza708
Contributor I

I guess its only my misunderstanding of the NXP MCUs. This MCU wont connect to the JLINK either it goes into ISP mode or not I have tried every possible solution but it just does not connect through the JLINK, maybe because this is a chinese JLINK that's why.

The rest of the schematics (other than the ESD diode) is correct I was able to program the board with a USB HID mouse example through the USB and it runs and successfully enumerates, mouse square motion can be seen on PC screen. So after the program uploads through the USB, power cycling this board starts the program if the program is a valid program. 

0 Kudos
Reply

1,444 Views
steve5528
Contributor I

@mirhamza708 

Were you able to resolve the issue? I'm new to NXP world and i'm in the process of designing a custom board so I'm interested in your answer.

 

I don't have any additional context (so my observation may not be valid), however, i noticed that in your schematics for the TVS diode USBLC6-2SC6, the same data line is not connected to pin 1 and pin 6. In ST datasheet, it shows D+ connecting to 1 and 6, and D- connecting to 3 and 4. Could you comment?

 

Cheers!

0 Kudos
Reply

1,407 Views
mirhamza708
Contributor I

Yes you are correct I removed the ESD IC and it now connects to the PC via USB in ISP mode. I was able to program the MCU through the application. But it is still not working it goes back into ISP mode so I will look into it more when I find out, then I will update.

0 Kudos
Reply

1,595 Views
Harry_Zhang
NXP Employee
NXP Employee

Hi @mirhamza708 

From the schematics provided, the design appears generally aligned with the hardware design guide for the LPC55S28.

1. Test the power supply and signals with an oscilloscope or logic analyzer.
2. Attempt to connect in ISP mode:
• Tie the ISP pin  to GND during power-on to force the bootloader to start.
• Then try to connect with J-Link.

BR

Harry

0 Kudos
Reply

1,533 Views
mirhamza708
Contributor I
I connected to the MCU in ISP mode through USB1 interface. I was able to write program to it. I was unable to run the blinky example from the SDK. I used the Secure provisioning tool to program it.
I build the image there then wrote it to the MCU through USB1 interface but after restarting the MCU the device again starts in ISP mode even though the PIO0_5 pin is pulled up and a valid program is loaded. I saw in the User manual UM11126 that when the device is in the ISP mode the SWD Debug is disabled for security reasons.
0 Kudos
Reply

1,500 Views
Harry_Zhang
NXP Employee
NXP Employee

Hi @mirhamza708 

From your description, it seems like the LPC55S28 is remaining in ISP mode after programming, even though you’ve loaded a valid program and ensured that the ISP boot pin (PIO0_5) is pulled high.
 
The ISP pin (PIO0_5) is used to force the device into ISP mode. If this pin is floating or configured incorrectly, the device might incorrectly enter ISP mode even if a valid program is present.
Action:
• Verify that PIO0_5 is pulled high with a strong pull-up resistor (e.g., 10 kΩ).
• Double-check that there are no unintended signals driving this pin low during startup.
 
BR
Harry
0 Kudos
Reply