Hi Yanqinghe,
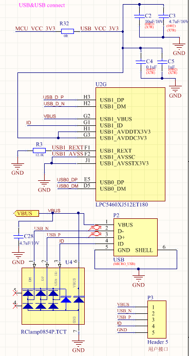
How you design your circuit in AVDDTX3V3?
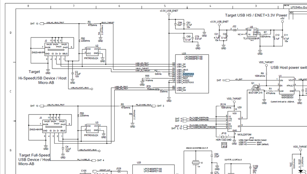
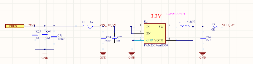
This is the official board schematic, you can refer to it, and compare it with yours:

Besides, about the solder, do you use the soldering flux? In my memory, some not good soldering flux may solder the pins after some time power on.
So, you'd need to use the specific water to clean the board after you solder it, this is my own experience.
Have a great day,
Kerry
-----------------------------------------------------------------------------------------------------------------------
Note: If this post answers your question, please click the Correct Answer button. Thank you!
-----------------------------------------------------------------------------------------------------------------------