LPC43xx USB1_DP/DM Add an external series resistor of 33r

cancel
Showing results for 
Show  only  | Search instead for 
Did you mean: 

LPC43xx USB1_DP/DM Add an external series resistor of 33r

1,707 Views
skysky
Contributor III

i find the spec. about UBS1_DP/USB1_DM need add an external series resistor of 33r.

QQ截图20170719214051.png

however,the application about USB1,ex. MCB4300-board,there is no resister added.

So ,the resister is Necessary?

0 Kudos
Reply
2 Replies

1,626 Views
soledad
NXP Employee
NXP Employee

Hi,

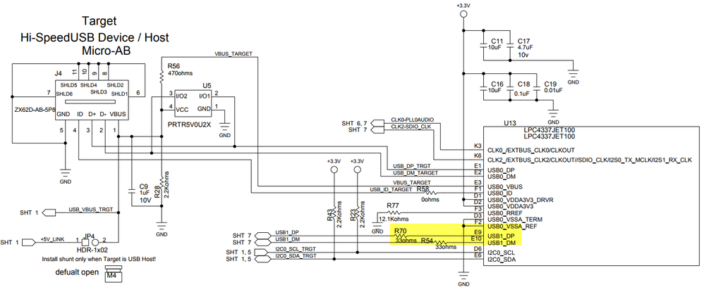
Yes, it is necessary for USB1. Please check the OM13088: LPCXpresso4367 Development board as example.

http://www.nxp.com/downloads/en/schematics/LPCX43xx_18xx_V3_Schematic_Rev-B.pdf 

pastedImage_4.png


Have a great day,
Soledad

-----------------------------------------------------------------------------------------------------------------------
Note: If this post answers your question, please click the Correct Answer button. Thank you!
-----------------------------------------------------------------------------------------------------------------------

1,626 Views
skysky
Contributor III

HI soledad:

  thank you for your reply

0 Kudos
Reply