Hi
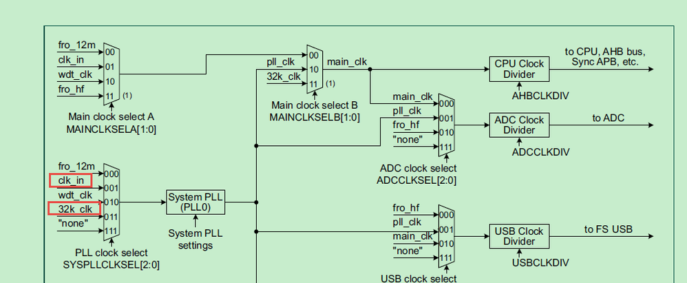
Please check below LPC54114 clock generation figure, the PLL reference clock could from 32K_CLK or external clk_in.

So, customer can connect external 32.768KHz crystal with RTCXIN/RTCXOUT pin as PLL reference clock.
Or, customer can provide external oscillator to PIO0_22 (CLKIN) pin.
Wish it helps.
Have a great day,
Ma Hui
-----------------------------------------------------------------------------------------------------------------------
Note: If this post answers your question, please click the Correct Answer button. Thank you!
-----------------------------------------------------------------------------------------------------------------------