What are the minimum oscillator / crystal requirements to use the K22 SWD. I have a design that will not go into debug / flash mode

cancel
Showing results for 
Show  only  | Search instead for 
Did you mean: 

What are the minimum oscillator / crystal requirements to use the K22 SWD. I have a design that will not go into debug / flash mode

Jump to solution
6,284 Views
chriswestervelt
Contributor III


I cannot get my target to connect.  I have no external XTALS or OSC

0 Kudos
Reply
1 Solution
5,987 Views
chriswestervelt
Contributor III

Ok let me wrap this up.  We have pin 26 which 3.2.2.2 of the reference manual says is not NMI after reset (WRONG).  We have pin 26 of the 64 pin package  attached to an N channel mosfet with a pull down on the gate.  NMI is active so hence the jump off the rails after reset and a brief run of SWD communications.  If you look at the pin tables, the default function of pin 26 on a LQFP64 part IS NMI.  Documentation needs updates.  Also, the K22 Schematic cell for the part implies the NMI assignment implies NMI as secondary to the primary default configuration.  This needs to be observed in ALL labels applied to schematic cells when naming pins so you know from looking at the schematic what mux configurations exist in order of the pin table as in

(64 pin LQFP) pin 26 -- LLWU_P3 NMI_b/ EZP_CS_b PTA4/ LLWU_P3 FTM0_CH1 NMI_b EZP_CS_b

This way you know!

View solution in original post

0 Kudos
Reply
11 Replies
5,987 Views
jeremyzhou
NXP Employee
NXP Employee

Hi Chris,

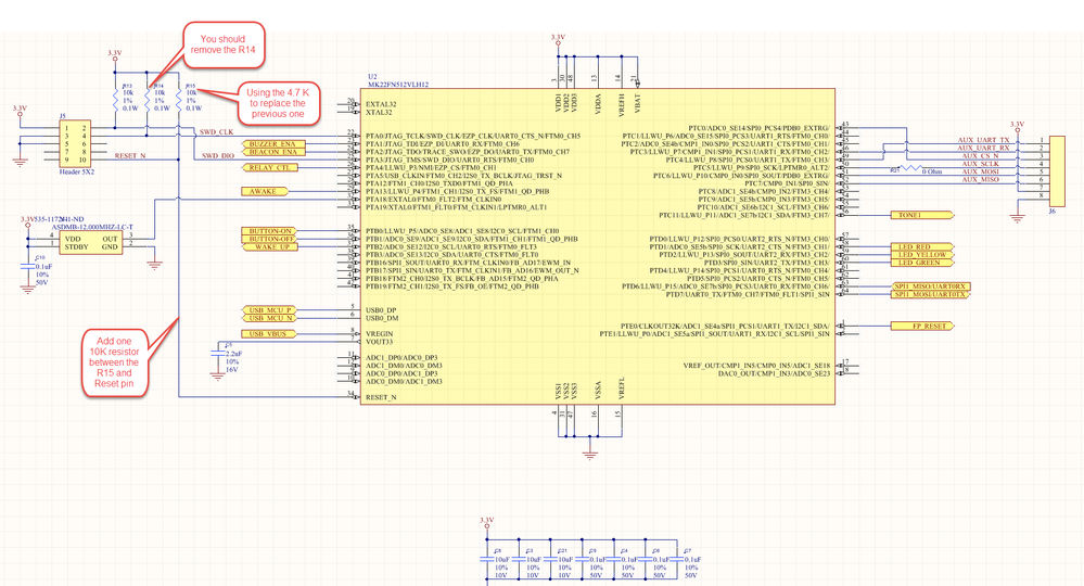
Please modify the circuit according the Fig 1, then give a shot again.

pastedImage_0.png

If you have any further questions about it, please feel free to contact with me.
Have a great day,
Ping

-----------------------------------------------------------------------------------------------------------------------
Note: If this post answers your question, please click the Correct Answer button. Thank you!
-----------------------------------------------------------------------------------------------------------------------

0 Kudos
Reply
5,988 Views
chriswestervelt
Contributor III

Ok let me wrap this up.  We have pin 26 which 3.2.2.2 of the reference manual says is not NMI after reset (WRONG).  We have pin 26 of the 64 pin package  attached to an N channel mosfet with a pull down on the gate.  NMI is active so hence the jump off the rails after reset and a brief run of SWD communications.  If you look at the pin tables, the default function of pin 26 on a LQFP64 part IS NMI.  Documentation needs updates.  Also, the K22 Schematic cell for the part implies the NMI assignment implies NMI as secondary to the primary default configuration.  This needs to be observed in ALL labels applied to schematic cells when naming pins so you know from looking at the schematic what mux configurations exist in order of the pin table as in

(64 pin LQFP) pin 26 -- LLWU_P3 NMI_b/ EZP_CS_b PTA4/ LLWU_P3 FTM0_CH1 NMI_b EZP_CS_b

This way you know!

0 Kudos
Reply
5,987 Views
chriswestervelt
Contributor III

I have not implemented the suggested changes yet however attached are the SWD decoded for both boards for your review. Both ours and NXP freedom board for comparison.  You will note that communications are occurring and it seems that the chip wants to talk and then it goes off the rails.

0 Kudos
Reply
5,987 Views
jeremyzhou
NXP Employee
NXP Employee

Hi Chris,

Thank you for your interest in NXP Semiconductor products and the opportunity to serve you.

I was wondering if you can tell what the kind of MCG mode you set and illustrate the debug interface, then it can help me to figure out the root cause of the issue.

Have a great day,

Ping

-----------------------------------------------------------------------------------------------------------------------
Note: If this post answers your question, please click the Correct Answer button. Thank you!
-----------------------------------------------------------------------------------------------------------------------

0 Kudos
Reply
5,987 Views
chriswestervelt
Contributor III

pastedImage_0.png

0 Kudos
Reply
5,987 Views
chriswestervelt
Contributor III

pastedImage_0.png

0 Kudos
Reply
5,984 Views
jeremyzhou
NXP Employee
NXP Employee

Hi Chris,

I think you may misunderstand my question, Let me clarify it.

I'd like to know what the kind of MCG mode you set the MCU in.

And I've also attached the Kinetis Peripheral Module Quick Reference and the attachment introduces the hardware considerations when using the Kinetis MCUs , then you can refer to it for details.

Have a great day,

Ping

-----------------------------------------------------------------------------------------------------------------------
Note: If this post answers your question, please click the Correct Answer button. Thank you!
-----------------------------------------------------------------------------------------------------------------------

0 Kudos
Reply
5,984 Views
jacobpeery
Contributor I

Hi Ping, I'm also working on this project with Chris and have a bit of info to add...

Our scenario is that we are trying to flash the MCU over the SWD interface with a USB Multilink Universal pod.  The flashing process gets to about 61%, then KDS says it can't find the device.

To your question, the MCG mode is set to PEE and we have an external 12MHz oscillator as the external clk source as shown in the schematic above. 

However to Chris' point, aren't the oscillator hardware and settings irrelevant until AFTER the MCU has been flashed because isn't the MCU running on it's own internal clk or the SWD_CLK during the flash process?  Of course if the MCG settings aren't correct then the MCU will crash immediately after coming out of reset, but we can't even get through the flash process.

Thanks!

Jake

0 Kudos
Reply
5,984 Views
chriswestervelt
Contributor III

No I'm clear but I don't think you understand my situation.  External clock sources appear to be optional from the documentation and should not be needed to get a connection to the chip through the SWD.  This is our problem.  We cannot even get to a point where we have code loaded to the MCU.  So I need to know a reason why the attached circuit would not work with a multilink attached that works fine with the K22FRDM board.  Again the MCG cannot be set by us because we cannot connect to the part to load code.

0 Kudos
Reply
5,984 Views
chriswestervelt
Contributor III

resistors r13, r14, and r15 are not populated

0 Kudos
Reply
5,984 Views
chriswestervelt
Contributor III

Is the MCG mode set through pin pulls?

0 Kudos
Reply