Using Flexbus with K10 with 100 pin package

cancel
Showing results for 
Show  only  | Search instead for 
Did you mean: 

Using Flexbus with K10 with 100 pin package

1,988 Views
dporada
Contributor III

Hello everyone.  The 100 pin package does not have all 32 pins of the buss on the Flexbus.  I have a project with 8megs of external ram connected to the flex bus.  The RAM chip has a 16 bit bus and I have a 16 bit latch on the lower 16 bits of the Flexbus.

As far as I can tell, the signals look OK for a write, but when I try to read, I get the latch signal, R/W signal, and CE signal, but not the OE signal.  It always stays high.  As far as I can tell, it was enabled by processor expert when I look at the PE code.

I also tried changing the OE pin to a generic IO pin and I am able to toggle the pin in software, so the pin is not shorted.

Anybody have any suggestions?

Labels (1)
0 Kudos
Reply
4 Replies

1,738 Views
dporada
Contributor III

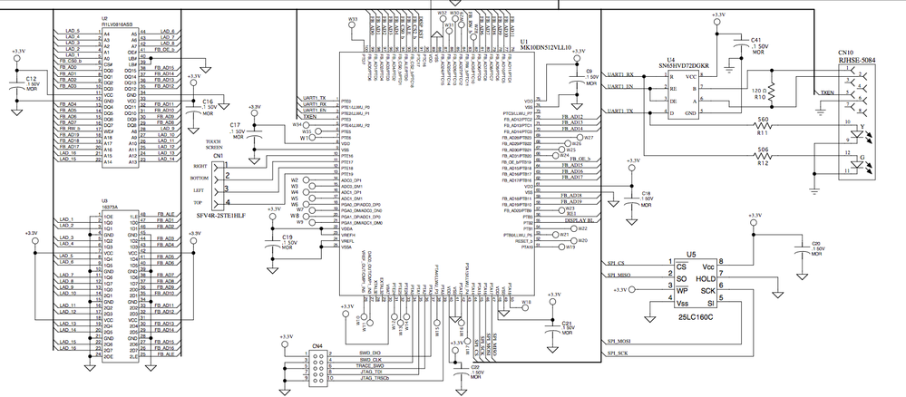
Here's a partial schematic.  The chip is a MK10DN512VLL10.  There is an error in the schematic.  Pin 82 of the CPU should be connected to FB_AD5.


Screen Shot 2014-01-13 at Mon, Jan 13, 2014   9.08.50 AM.png

0 Kudos
Reply

1,738 Views
Kan_Li
NXP TechSupport
NXP TechSupport

The schematics looks fine, was PTB19 initiliazed to another mux function in your code? You may add some code snippet  for read operation immediately after the code of flexbus initialization, and check if FB_OE works well as expected.

Hope that helps,

B.R

Kan

0 Kudos
Reply

1,738 Views
dporada
Contributor III

I don't know what caused the problem, but creating a new project seemed to work.

0 Kudos
Reply

1,738 Views
Kan_Li
NXP TechSupport
NXP TechSupport

Would you please show a snapshot of the connection between the external RAM and K10? and what is the part number for K10 that you are using?

Thanks for your patience!!

0 Kudos
Reply