Hi, all
I made custom boards using MK64FN1M0VLQ12 (144pin).
I received boards from integration company, adn I tried to write my software to the board by the P&E Micro Multilink Universal with the PROGACMP.
I push a Connect(Reset) button, then I got a dialog message of "Device is secure. Erase to unsecure?"
I checked reset pin of MK64, I saw a strange waveform.

Here is my questions.
1. When any firmwares are not written to the MK64 ever, is this signal correct?
2. How should I do for writing firmware to MK64?
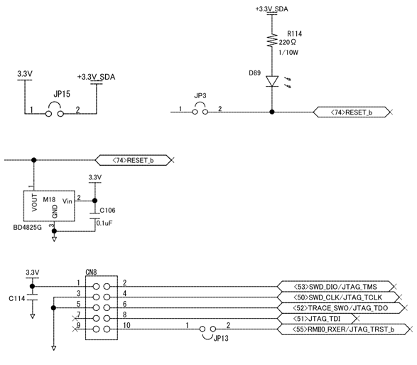
This is a schematic of my custom boards around riset pin and the debug interface.

If you have any idea, please let me know.
Regards,
Kiyoshi Matsuzaki