Reset signal of K64

cancel
Showing results for 
Show  only  | Search instead for 
Did you mean: 

Reset signal of K64

Jump to solution
9,101 Views
kiyoshimatsuzak
Contributor III

Hi, all

I made custom boards using MK64FN1M0VLQ12 (144pin).

I received boards from integration company, adn I tried to write my software to the board by the P&E Micro Multilink Universal with the PROGACMP.

I push a Connect(Reset) button, then I got a dialog message of "Device is secure. Erase to unsecure?"

I checked reset pin of MK64, I saw a strange waveform.

MK64FN1M0VLQ12_reset.png

Here is my questions.

1. When any firmwares  are not written  to the MK64 ever, is this signal correct?

2. How should I do for writing firmware to MK64?

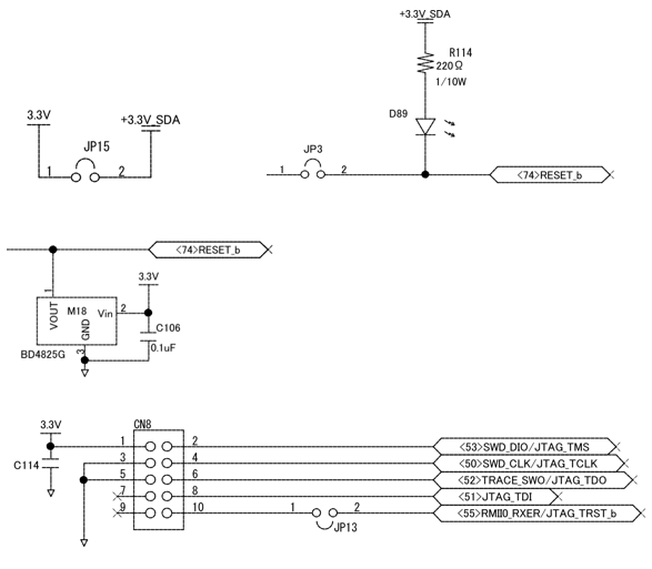
This is a schematic of my custom boards around riset pin and the debug interface.

MK64FN1M0VLQ12_schmatic.png

If you have any idea, please let me know.

Regards,

Kiyoshi Matsuzaki

1 Solution
7,691 Views
kiyoshimatsuzak
Contributor III

Hi, all

I got new MCUs, then I replace old MCU on my custom board to the one of new MCU.

After that, I tried to connect using the PROGACMP.

I push a Connect(Reset) button, then I got a dialog of ARP file selection.

I haven't found the reason of this issue yet but my custom board is OK for now.

Thank you.

Kiyoshi Matsuzaki

View solution in original post

10 Replies
7,691 Views
juandreslazaro
Contributor I

The same thing happened to me. I replaced the card and then starting work. I think of two possibilities: problems in PCB or chip.

0 Kudos
Reply
7,692 Views
kiyoshimatsuzak
Contributor III

Hi, all

I got new MCUs, then I replace old MCU on my custom board to the one of new MCU.

After that, I tried to connect using the PROGACMP.

I push a Connect(Reset) button, then I got a dialog of ARP file selection.

I haven't found the reason of this issue yet but my custom board is OK for now.

Thank you.

Kiyoshi Matsuzaki

7,691 Views
pgo
Senior Contributor V

Hi Kiyoshi,

In addition to the suggestions already given I suggest you check that the NMI pin is high during reset.

The RESET waveform is to be expected and should not interfere with the debugger after it correctly connects.

bye

0 Kudos
Reply
7,691 Views
kiyoshimatsuzak
Contributor III

Hi, pgo

Thank you for your reply.

I've already checked NMI signal.

The signal was high during reset.

Do you have any other check points?

I'm still struggling...

Regards,

Kiyoshi Matsuzaki

0 Kudos
Reply
7,691 Views
cutworth
NXP Employee
NXP Employee

Hi Matsuzaki San,

Do you have a J-Link debugger on hand? If using PEMicro Debugger shows MCU secured, maybe it's really secured when you connected JTAG-TRST instead MCU reset. You can try connect with J-Link and use it to unlock Kinetis MCU.

Hao

0 Kudos
Reply
7,691 Views
kiyoshimatsuzak
Contributor III

Hi, Hao

Thankyou for your advice!

Unfortunately, I don't have J-Link right now.

So I have some questions before I buy it.

1) If the MUC is in secure mode, does the RESET_b of the MCU generate 70KHz waveform?

2) If I connect pin 10 of the debug interface to the JTAG_TRST of the MCU and use the debugger(in my case, Multilink Universal), does the MCU go to the secure mode?

3) When the RESET_b generate 70KHz waveform, is it possible to unsecure the MCU by the J-Link?

4) Is it impossible to unsecure the MUC by the Multilink Universal?

Regards,

Kiyoshi Matsuzaki

0 Kudos
Reply
7,691 Views
kiyoshimatsuzak
Contributor III

Hi,

I couldn't resolve this issue.

I checked RESET signal when I connected to the K64 using P&E micro's PROGACMP.

When I push "Connect (Reset)" button, RESET signal became low, then I got a dialog of "Device is secure. ...." , and  RESET signal was still low.

After I clicked Yes/No button on dialog, RESET signal became the waveform which I attached above.

I think that RESET signal has to be high.

Where should I check?

Regards,

Kiyoshi Matsuzaki

0 Kudos
Reply
7,685 Views
cutworth
NXP Employee
NXP Employee

Hi,

The RESET pin waveform is normal with device whose flash is empty. MCU core will try to fetch instructions from flash and when it's empty, it will enter exception and then reset continuously. So what you see is normal.

Then for your problem, your schematic is incorrect. The JTAG connector pin 10 should be connected to MCU reset pin instead of JTAG_TRST reset.

You can check attached J-Link debugger document page 398 for detail.

Hao

7,685 Views
kiyoshimatsuzak
Contributor III

Hi, Hao

I have some boards.

(A) This board's waveform of RESET signal was around 70KHz.(I attached above).

(B) This board's waveform of RESET signal was around 20KHz. (Shape of the waveform was similar to (A)'s waveform)

I could not connect to the board (A) using the Multilink Universal.

I could connect to the board (B) using the Multilink Universal.

What is difference between (A) and (B) ?

If you (or someone) know about this difference, please tell me.

Regards,

Kiyoshi Matsuzaki

0 Kudos
Reply
7,685 Views
kiyoshimatsuzak
Contributor III

Hi, Hao

Thank you for your reply!

I could understand that the waveform is normal, thank you so mutch!

And as you say, I connected pin9 to RESET of K64.

Then I tried to connect using the Multilink Universal.

But I couldn't connect yet.

Do I have to set any pullup(s) at pin9 (or others)?

If I have to check any other points, please let me know.

Regards,

Kiyoshi Matsuzaki

0 Kudos
Reply