MKV10Z32VLC7 requires external clock or not??

cancel
Showing results for 
Show  only  | Search instead for 
Did you mean: 

MKV10Z32VLC7 requires external clock or not??

3,539 Views
vigneshkumarp
Contributor III

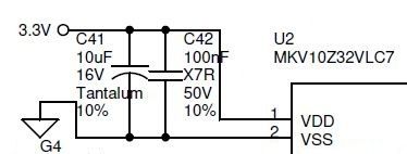
Hi,  I am trying to program MKV10Z32VLC7, I just used the internal reference clock, we didin't make any external crystal  oscillator connection with the micro controller and we just connected to ground.  And my doubt is that whether the external crystal is  necessary for this micro controller ??1.jpg2.jpg3.jpg

0 Kudos
Reply
15 Replies

3,283 Views
vigneshkumarp
Contributor III

Capture45.JPGCapture22.JPG

0 Kudos
Reply

3,283 Views
renato_kiss
NXP Employee
NXP Employee

Do you have another new board  and/or KV10 IC ? Is it possible to you to replace your current one to the new one ? If all connections and power pins are tied to right signals and your debugger is working (I am assuming both are ok), let's check if MCU is still good.

Regards,

Renato

0 Kudos
Reply

3,283 Views
renato_kiss
NXP Employee
NXP Employee

Ah ... I forget to ask you ... Have you check the cable adapter as I mentioned in previous post ? Please keep it short and if shielding between CLK and Data.

Thanks a lot.

Regards,

Renato

0 Kudos
Reply

3,283 Views
vigneshkumarp
Contributor III

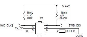
Finally it get programmed by removing the SWD_CLK pull up resistor and RESET diode.

Also I added a 330ohm resistor in series with SWD_DIO and Reset_b pin.

And I used the SHIFT CLK FREQ of 0.03MHz to debug.

Thank You.

0 Kudos
Reply

3,283 Views
vicentegomez
NXP TechSupport
NXP TechSupport

Hi

there is not necessary to have the external crystal.

Are you using your own board?

0 Kudos
Reply

3,283 Views
vigneshkumarp
Contributor III

Capture.JPG

This is the actual connection, we checked with actual and modified with pulled up  SWD_DIO with 10K, 2.7K and no pull up along with SWD_CLK is not pulled up or pulled down in all SWD_DIO cases. Still the same error is displaying. I am working with my own board and using USB Multilink Universal (PORT_B standard ARM). Also I have checked with the 3.3V instead of 5V_D in X5 connector, it shows the same error.

0 Kudos
Reply

3,283 Views
renato_kiss
NXP Employee
NXP Employee

Hello Vignes,

For KV10, you can use only internal pull resistors for SWD. If you desire to use external ones, 10k is the recommended valor. SWD_CLK requires a pull-down resistor, you are using a pull up. As you mentioned you have tested using all combinations, so I believe it is not your problem but it is nice to have it in mind for next projects.

Usually for increase the robustness of your system, a RC filter with a pull-up resistor of 10k and a pull-down cap of 100nF is recommended for RST pin. In KV10 a pull-up resistor is set internally and the RC, besides recommended, is not mandatory. For other devices it can be mandatory.

Another point that could be critical is your connector signal distribution. SWD interface has very high rise/fall times. In case your cable adapter (I am assuming you have an adapter from SWD ARM standard connector to yours, and that all connections are right) is long, it can be a source of problems.

In all ARM standard connectors, for every critical signal it has a gnd/pwr in the adjacent pin. It includes, for example a shield between CLK and Data. It is recommended to always have a shield between these signals. In your case, as board is ready, try to minimize the path without shielding.

Always use 3V for KV10.

If it doesn't work, is it possible to you to share your schematic (send it by private message, please) ?.

Thanks a lot in advance.

Renato

0 Kudos
Reply

3,283 Views
vigneshkumarp
Contributor III

Hi Renato,

I have connected SWD_DIO (10K pull up) SWD_CLK (4.7K pull down + 68pF) but the result is same error. I used 10K pull up for 16th pin and removed the diode D20 but it results same. And there is no open pins. Am using multilink universal( connected with PORT-B where I have debugged already with MK20DX128VLF5) with jumper cable(length of 20cm) in the multilink kit.

Capture11.JPG

4.jpg

Capture1.JPG

0 Kudos
Reply

3,283 Views
vicentegomez
NXP TechSupport
NXP TechSupport

Please check that you do not have other problems like opens pins

Normally only the pull up on the SWD_DIO is necessary.

On the reset pin do you have a pull up and the capacitor?

0 Kudos
Reply

3,283 Views
vigneshkumarp
Contributor III

Finally it get programmed by removing the SWD_CLK pull up resistor and RESET diode.

Also I added a 330ohm resistor in series with SWD_DIO and Reset_b pin.

And I used the SHIFT CLK FREQ of 0.03MHz to debug.

Thank You.

0 Kudos
Reply

3,283 Views
vigneshkumarp
Contributor III

Finally it get programmed by removing the SWD_CLK pull up resistor and RESET diode.

Also I added a 330ohm resistor in series with SWD_DIO and Reset_b pin.

And I used the SHIFT CLK FREQ of 0.03MHz to debug.

Thank You.

0 Kudos
Reply

3,283 Views
vigneshkumarp
Contributor III

Also I have a doubt, in multilink universal PORT-B, PORT-F and PORT-G are available for kinetics. Which could be the better option to use?? Am using PORT-B..

0 Kudos
Reply

3,283 Views
vigneshkumarp
Contributor III

Capture1.JPG

4.jpg

As mentioned by JOSE I have connected SWD_CLK (4.7K pull down + 68pF)but the result is same error. Then I used 10K pull up for 16th pin and removed the diode D20 but it results same. And there is no open pins.

Am using multilink universal( connected with PORT-B where I have debugged already with MK20DX128VLF5) with jumper cable in the multilink kit.

Thanks.

0 Kudos
Reply

3,283 Views
vigneshkumarp
Contributor III

INF: P&E Interface detected - Flash Version 9.72
ERR: Can not enter background mode  .

INF: Unable to initialize PEDebug.
GDI: => DI_ERR_NONFATAL
GDI: The Debugger can not connect to the P&E device
GDI: DiGdiClose()
GDI: => DI_OK

This is the error displaying while programming

0 Kudos
Reply

3,283 Views
vigneshkumarp
Contributor III

But still the micro controller is not programming. It showing the same error as displayed in first image. And now I checked with all the possibilities of pulled up  SWD_DIO with 10K, 2.7K and no pull up along with SWD_CLK is not pulled up or pulled down.

0 Kudos
Reply