@marcin99
The short answer is that different Kinetis parts (even if they appear to be in the same series, ie MK22) have different SDKs and each SDK has access to different tools. Personally, I find the situation quite infuriating because the Freedom boards tend to have the latest (and greatest) SDK versions with full access to the various wizards (like the peripheral tool) while the vast majority of part numbers do not. I consider the most up to date SDKs only available on Freedom and, in some limited cases Tower, boards to be a form of bait and switch and I have been incredibly frustrated by it.
Now that I've had my rant let's talk about your situation.
I've done what you're trying to do and it's a non trivial exercise. You didn't say which USB device class you are trying to implement and that may be an issue, but in my experience implementing CDC on the MK22FX512xxxx & MK22FN1M0zxxx the "A request for the USB device descriptor failed." is most likely a clocking error but there could be other issues and it looks like you're on the right path to solving your problem.
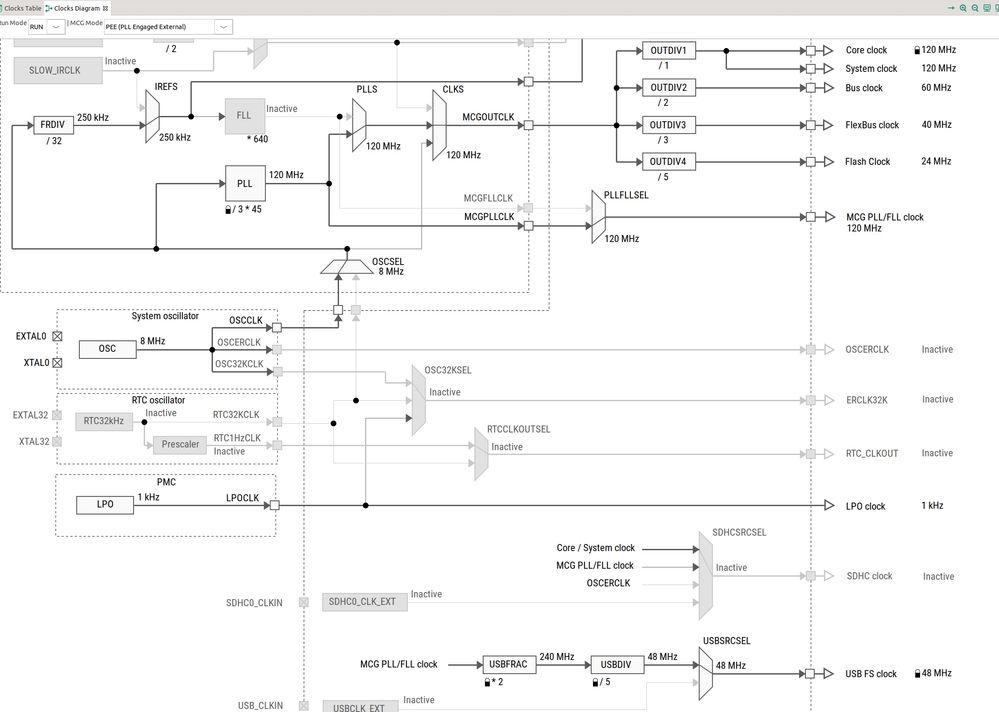
First off, you didn't show the full clock wizard - Having a 48MHz USB clock out doesn't show the full story. Here is my clocking diagram for my MK221M0Axxxx implementation:

I personally find the clock wizard in MCUXpresso to be somewhat frustrating to work with as clicking different options does not always get the response you want or expect. You need a pretty good understanding of the clock module from the Reference Manual as well as the patience of Job to get a correct clock configuration.
Next you have to make sure your build preprocessor and includes have to be correct. You're looking in the right spot.
Finally, you have to have the right driver and resource includes available to your application.
As I said, it's a non-trivial exercise.
Fortunately there is a relatively easy solution to all this and that is to start with the example USB application from the TWRK-MK21F (which is what I believe is the recommended resource for the MK22FX but I'll leave it to the NXP support staff to confirm it) and start working from there.
Download the example application and verify that works on your device. From there, I recommend you create a new project with the same files taking note that you copy in "clock_config.c/.h" from the working project, the "usb" and "osa" folders (making sure they are "source folders" in your project) the USB source files and, finally, make sure your build preprocessor and includes match the example application. Test what you've done to make sure it still works, DOCUMENT WHAT YOU'VE DONE and then you can start modifying it to your own application.
As I was creating my (FreeRTOS) application, I maintained a list of setup/configuration instructions for each project, here's one from an early one to give you an idea of what's involved.
0. Have MK22_FRTOS_7a project available
1. Create Project:
SDK: MK22FN1M0Axxx12
Name: MK22_FRTOS_USB_8
Device Packages: MK22FN1M0AVMD12
Operating Systems: FreeRTOS
Drivers: adc
- clock
- common
- flash
- ftm
- gpio
- port
- sim
- smc
- sysmpu
- uart
CMSIS Drviers:
Utilities: assert
- debug_console
Middleware:
2. Setup IO Pins
Copy in MK22_FRTOS_USB_7a.mex
- Rename to renumber to "8" (the current project number)
- NOTE: No Clock Specification
- "Update Code" from the Pin Specification
3. Build and test.
- See "Hello World" in Debug Console
4. Replace "source" folder contents with "MK22_FRTOS_USB_7a" project's contents
- Rename "MK22_FRTOS_USB_7a" to "MK22_FRTOS_USB_8"
- Update "versionTracking.h" to indicate new project
5. Create "source folders" for:
- osa
- usb
And copy in the contents from the respective folders in "MK22_FRTOS_USB_8" project's folders
6. Replace in "board" folder:
- clock_config.c
- clock_config.h
With the files from the previous project
7. Open "Properties"=>"C/C++ Build"=>"Settings"=>"Preprocessor" and match the following terms:
__REDLIB__
CPU_MK22FN1M0AVMC12_cm4
CPU_MK22FN1M0AVMC12
_DEBUG=1
USB_STACK_FREERTOS
USB_STACK_FREERTOS_HEAP_SIZE=32768
FSL_RTOS_FREE_RTOS
SDK_DEBUGCONSOLE=0
CR_INTEGER_PRINTF
PRINTF_FLOAT_ENABLE=0
__MCUXPRESSO
__USE_CMSIS
DEBUG
8. Open "Properties"=>"C/C++ Build"=>"Settings"=>"Includes" and match the following includes:
"${workspace_loc:/${ProjName}/board}"
"${workspace_loc:/${ProjName}/source}"
"${workspace_loc:/${ProjName}/}"
"${workspace_loc:/${ProjName}/usb/device/source/khci}"
"${workspace_loc:/${ProjName}/usb/include}"
"${workspace_loc:/${ProjName}/osa}"
"${workspace_loc:/${ProjName}/drivers}"
"${workspace_loc:/${ProjName}/CMSIS}"
"${workspace_loc:/${ProjName}/freertos/include}"
"${workspace_loc:/${ProjName}/freertos/portable}"
"${workspace_loc:/${ProjName}/utilities}"
"${workspace_loc:/${ProjName}/startup}"
"${workspace_loc:/${ProjName}/usb/device/class/cdc}"
"${workspace_loc:/${ProjName}/usb/device/class}"
"${workspace_loc:/${ProjName}/usb/device/source}"
"${workspace_loc:/${ProjName}/usb/device/include}"
9. Build and test
- Check the operation of USB
Good luck!