Hello!
What is the difference beetween clock configuration of KL26Z128vlh4 and KL26z64vft4?
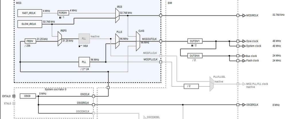
I am using the mcuxpresso config tool and my kl26z64vft.
I am testing some program with internal reference closk, it works fine.
Then, I set the external clock (i am using 8mhz oscilator) like this:

My mcu not working with this settings, (and on kl26z evaluation board working fine).
Am I missing something?
Regards!