PMT,
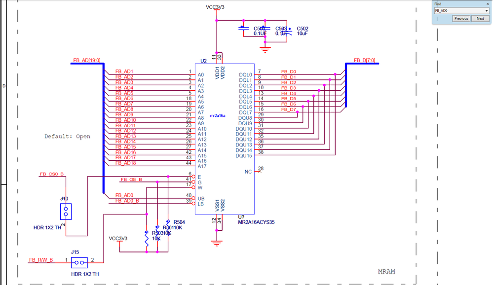
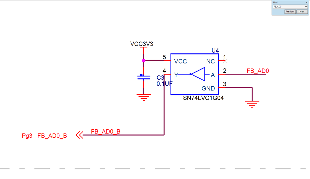
I think you might have misunderstanding with my "A0 trick", in my solution, FB_A0 is connected with LB, and FB_BE_D31-D24(NFC_CS0) is connected with UB, so both of them provide three states for data writes:
Latch only 8-bits, upper bus (odd address)
Latch only 8-bits, lower bus (even address)
Latch 16-bits, upper and lower bus
NFC_CE1 is connect with Nand flash's CS signal, and FB_BE_D23-D16(NFC_RB) can be released for NFC interface as well.

The only problem might be in accessing a 16bit space with misaligned address, for example, accessing address 0x0001 with 16bit width manner, but I think this can be prevented by link file and source code, right?
Take care that FB_ADx will be floating during non flexbus transfer cycles. It should be pull up.
Hope that makes sense,
Please kindly let me know if you have any issue.
Have a great day,
Kan
-----------------------------------------------------------------------------------------------------------------------
Note: If this post answers your question, please click the Correct Answer button. Thank you!
-----------------------------------------------------------------------------------------------------------------------