How to interface to the CAN bus on the TWR-K22F120M Tower Board

取消
显示结果 
显示  仅  | 搜索替代 
您的意思是: 
已解决

How to interface to the CAN bus on the TWR-K22F120M Tower Board

跳至解决方案
2,258 次查看
marks
Contributor IV

Hello, Looking to develop a new product based on an existing MCF5213 Coldfire design. The MCF5213 would be perfect except it is in Not Recommended for New Design status (NRND). Almost any Kinetis MCU with CAN would work but we would like to pick a main stream part with lots of the usual features so the MCU could be used in other product in the future. I though the K22 with CAN would be good but I can not figure out how to connect to the CAN bus on the Tower Board. I know there is a TWR-SER (Serial Module) with CAN but I dont see how the TWR-K22F120M  connects. Looks like the connections to the elevator cards are not there.

To make a long story short. I'm looking for a main stream general purpose Kinetis MCU with CAN that has the CAN bus accessible on a Freedom or Tower board. Any suggestions?

Thanks!

Mark

0 项奖励
回复
1 解答
1,992 次查看
mjbcswitzerland
Specialist V

Mark

The K22 on the TWR-K22F120M doesn't have a CAN controller in it and that is why there is no connection. There are quite a number of Kinetis parts that do though and can be used in the tower kit.
eg. https://www.youtube.com/watch?v=Ha8cv_XEvco

The Kinetis CAN controller is virtually identical to the one in the MCF5213 but the Kinetis parts are simply massively better than the old Coldfire V2s (in almost every aspect) so certainly go for a Kinetis.

I developed the uTasker CAN driver for the 5213 back in 2006: http://www.utasker.com/kirin3.html
and, as mentioned, it runs virtually unchanged on the Kinetis parts: http://www.utasker.com/kinetis.html
just everything else if better, faster, lower power, much feature-rich, cheaper.... etc. Various Kinetis parts also have two of them.

Regards

Mark

P.S. Be very careful with the K22 parts - there are various types, but with many surprises since their feature sets and capabilities can vary dramatically. They look to be compatible but if you step up or down in Flash size you may find that bits are then missing, speeds can't be obtained, and other potential pitfalls. Probably they should have given the chips different names but they didn't so one needs to tread carefully and compare the user manuals attentively.


Professional support for Kinetis: http://www.utasker.com/index.html
Remote desktop one-on-one coaching: http://www.utasker.com/services.html
Getting started to expert videos: https://www.youtube.com/results?search_query=utasker+shorts

在原帖中查看解决方案

0 项奖励
回复
3 回复数
1,992 次查看
kerryzhou
NXP TechSupport
NXP TechSupport

Hi Mark Sample,

   Mark Butcher's reply is correct, the chip on TWR-K22F120M don't have the FlexCAN mode, that's why you can't find the according connection.

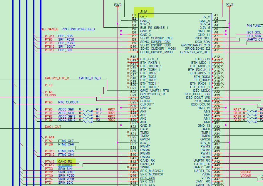
   I suggest you to use the TWR-K21F120M board, this board have the flexcan module and the according connection:

pastedImage_1.png

pastedImage_2.png

Wish it helps you!

If you still have question, please let me know!


Have a great day,
Kerry

-----------------------------------------------------------------------------------------------------------------------
Note: If this post answers your question, please click the Correct Answer button. Thank you!
-----------------------------------------------------------------------------------------------------------------------

0 项奖励
回复
1,992 次查看
marks
Contributor IV

Hello Mark and Kerry, Thank you so much for the quick and useful replies! Very helpful!

Best regards,

Mark

0 项奖励
回复
1,993 次查看
mjbcswitzerland
Specialist V

Mark

The K22 on the TWR-K22F120M doesn't have a CAN controller in it and that is why there is no connection. There are quite a number of Kinetis parts that do though and can be used in the tower kit.
eg. https://www.youtube.com/watch?v=Ha8cv_XEvco

The Kinetis CAN controller is virtually identical to the one in the MCF5213 but the Kinetis parts are simply massively better than the old Coldfire V2s (in almost every aspect) so certainly go for a Kinetis.

I developed the uTasker CAN driver for the 5213 back in 2006: http://www.utasker.com/kirin3.html
and, as mentioned, it runs virtually unchanged on the Kinetis parts: http://www.utasker.com/kinetis.html
just everything else if better, faster, lower power, much feature-rich, cheaper.... etc. Various Kinetis parts also have two of them.

Regards

Mark

P.S. Be very careful with the K22 parts - there are various types, but with many surprises since their feature sets and capabilities can vary dramatically. They look to be compatible but if you step up or down in Flash size you may find that bits are then missing, speeds can't be obtained, and other potential pitfalls. Probably they should have given the chips different names but they didn't so one needs to tread carefully and compare the user manuals attentively.


Professional support for Kinetis: http://www.utasker.com/index.html
Remote desktop one-on-one coaching: http://www.utasker.com/services.html
Getting started to expert videos: https://www.youtube.com/results?search_query=utasker+shorts

0 项奖励
回复