Hi
We trying connecting MCU-link we are getting the following error 
We also installed driver software MCU-Link from the NXP https://www.nxp.com/design/design-center/software/development-software/mcuxpresso-software-and-tools...
although we installed all the software needed for MCU-link we are same above mentioned error repeatedly how to solve the problem and ?
In KV31 for supported or not MCU-link debugger?
Thank you
BR
PANDI
Hi
We are using PCB board to MCU-link debugging that time facing following error 
connection its correct .how to solve the problem?
BR
PANDI
 Pavel_Hernandez
		
			Pavel_Hernandez
		
		
		
		
		
		
		
		
	
			
		
		
			
					
		Hello, my name is Pavel, and I will be supporting your case, could you let me know if you are using the TWR or is a custom PCA? if you are using the EVK, are you using this connector?
Your issue showed appears when the MCU is not halted by the debugger, could you try to do a mass erase? and flash it again.
Best regards,
Pavel
Hi
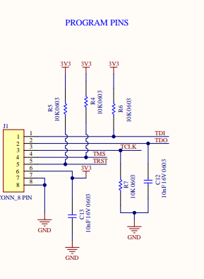
We are using mkv31f128vll10 Processor for making PCB board trying to flash code MCU-Link
All the wire connection needed for MCU-link are given correctly but we are same above mentioned error repeatedly. Help us in this regard. Whether MCU link is compatible with mkv31f128vll10 Processor ?
 Pavel_Hernandez
		
			Pavel_Hernandez
		
		
		
		
		
		
		
		
	
			
		
		
			
					
		Hello, thanks for the helpful image, your issue is your cable for communication these communications in all boards are nearest to the MCU and our cable is too long maybe the Z impedance is too High. I recommend using the flat cable only for this communication.
Best regards,
Pavel
