Hi Xiangjun,
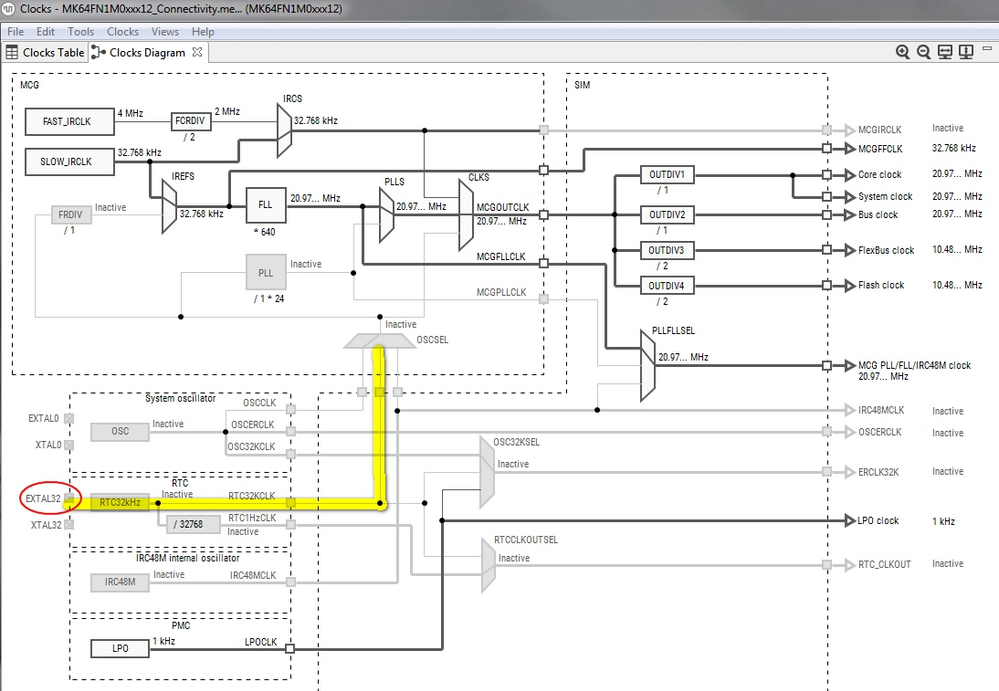
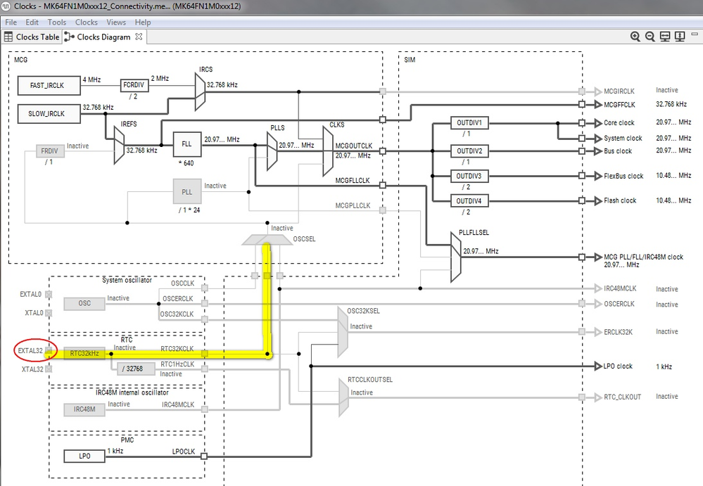
Thanks for your answer. You are right, I want to connect the 32.768kHz CLKOUT pin of the PCF2123 to the K64F. The idea is to be able to go in the lowest power consumption mode of the K64F while keeping the ability to wake-up at a precise time thanks to the PCF2123. I could use the K64K RTC module my goal is to save one crystal.
During normal operation mode, the K64F will be clocked at 120MHz using a 12MHz crystal connected between EXTAL and XTAL pins. That's why I'm trying to use the EXTAL32 pin and not the EXTAL.
