Assigning a new input pin to FRDM-KW41Z project via MCUXpresso not working

cancel
Showing results for 
Show  only  | Search instead for 
Did you mean: 

Assigning a new input pin to FRDM-KW41Z project via MCUXpresso not working

2,720 Views
gerrikoio
Contributor III

I am new to MCUXpresso and I am learning with two FRDM boards. I have an FRDM-KL25 board and an FRDM-KW41Z board.

I started by downloading the GPIO_LED_OUTPUT driver project for each board. Both work as expected.

I then decided to assign a new GPIO pin as an INPUT using the Pins config tool.

In both cases, I chose the same pin.

So, for the FRDM-KL25 board, I chose pin no. 33 (GPIOA) which is labelled as J2[2]/D8. 

And for the FRDM-KW41Z board, I chose pin no. 1 (GPIOA) which is labelled as J2[1]/J9[2]/D8/SWD_DIO

Attributes were as follows:

- Direction: INPUT

- GPIO Interrupt: Interrupt on Falling edge

- Slew Rate: FAST

- Pull Select: Pullup

- Pull Enabled: Enabled

I use the same Identifier "NEW_IO" for both cases and I then click on "Update Project". 

I return to the development page and build the projects. All is fine so far.

Now, this is where it diverges in terms of success.

When clicking on DEBUG, the FRDM-KL25 works perfectly.

When clicking on DEBUG, the FRDM-KW41Z board crashes when trying to run the BOARD_InitPins(void) function.

The code for that function appears the same in each case.

Here is code for FRDM-KL25 board

/* clang-format off */
/*
 * TEXT BELOW IS USED AS SETTING FOR TOOLS *************************************
BOARD_InitPins:
- options: {callFromInitBoot: 'true', coreID: core0, enableClock: 'true'}
- pin_list:
  - {pin_num: '28', peripheral: UART0, signal: TX, pin_signal: TSI0_CH3/PTA2/UART0_TX/TPM2_CH1}
  - {pin_num: '27', peripheral: UART0, signal: RX, pin_signal: TSI0_CH2/PTA1/UART0_RX/TPM2_CH0}
  - {pin_num: '53', peripheral: GPIOB, signal: 'GPIO, 18', pin_signal: TSI0_CH11/PTB18/TPM2_CH0}
  - {pin_num: '33', peripheral: GPIOA, signal: 'GPIO, 13', pin_signal: PTA13/TPM1_CH1, direction: INPUT, gpio_interrupt: kPORT_InterruptFallingEdge, pull_select: up,
    pull_enable: enable}
 * BE CAREFUL MODIFYING THIS COMMENT - IT IS YAML SETTINGS FOR TOOLS ***********
 */
/* clang-format on */

/* FUNCTION ************************************************************************************************************
 *
 * Function Name : BOARD_InitPins
 * Description   : Configures pin routing and optionally pin electrical features.
 *
 * END ****************************************************************************************************************/
void BOARD_InitPins(void)
{
    /* Port A Clock Gate Control: Clock enabled */
    CLOCK_EnableClock(kCLOCK_PortA);
    /* Port B Clock Gate Control: Clock enabled */
    CLOCK_EnableClock(kCLOCK_PortB);

    gpio_pin_config_t NEW_IO_config = {
        .pinDirection = kGPIO_DigitalInput,
        .outputLogic = 0U
    };
    /* Initialize GPIO functionality on pin PTA13 (pin 33)  */
    GPIO_PinInit(BOARD_INITPINS_NEW_IO_GPIO, BOARD_INITPINS_NEW_IO_PIN, &NEW_IO_config);

    /* PORTA1 (pin 27) is configured as UART0_RX */
    PORT_SetPinMux(BOARD_INITPINS_DEBUG_UART_RX_PORT, BOARD_INITPINS_DEBUG_UART_RX_PIN, kPORT_MuxAlt2);

    const port_pin_config_t NEW_IO = {/* Internal pull-up resistor is enabled */
                                      kPORT_PullUp,
                                      /* Slow slew rate is configured */
                                      kPORT_SlowSlewRate,
                                      /* Passive filter is disabled */
                                      kPORT_PassiveFilterDisable,
                                      /* Low drive strength is configured */
                                      kPORT_LowDriveStrength,
                                      /* Pin is configured as PTA13 */
                                      kPORT_MuxAsGpio};
    /* PORTA13 (pin 33) is configured as PTA13 */
    PORT_SetPinConfig(BOARD_INITPINS_NEW_IO_PORT, BOARD_INITPINS_NEW_IO_PIN, &NEW_IO);

    /* Interrupt configuration on PORTA13 (pin 33): Interrupt on falling edge */
    PORT_SetPinInterruptConfig(BOARD_INITPINS_NEW_IO_PORT, BOARD_INITPINS_NEW_IO_PIN, kPORT_InterruptFallingEdge);

    /* PORTA2 (pin 28) is configured as UART0_TX */
    PORT_SetPinMux(BOARD_INITPINS_DEBUG_UART_TX_PORT, BOARD_INITPINS_DEBUG_UART_TX_PIN, kPORT_MuxAlt2);

    /* PORTB18 (pin 53) is configured as PTB18 */
    PORT_SetPinMux(BOARD_INITPINS_LED_RED_PORT, BOARD_INITPINS_LED_RED_PIN, kPORT_MuxAsGpio);

    SIM->SOPT5 = ((SIM->SOPT5 &
                   /* Mask bits to zero which are setting */
                   (~(SIM_SOPT5_UART0TXSRC_MASK | SIM_SOPT5_UART0RXSRC_MASK)))

                  /* UART0 transmit data source select: UART0_TX pin. */
                  | SIM_SOPT5_UART0TXSRC(SOPT5_UART0TXSRC_UART_TX)

                  /* UART0 receive data source select: UART0_RX pin. */
                  | SIM_SOPT5_UART0RXSRC(SOPT5_UART0RXSRC_UART_RX));
}

and here is the code for the FRDM-KW41Z board

/* clang-format off */
/*
 * TEXT BELOW IS USED AS SETTING FOR TOOLS *************************************
BOARD_InitPins:
- options: {callFromInitBoot: 'true', coreID: core0, enableClock: 'true'}
- pin_list:
  - {pin_num: '42', peripheral: LPUART0, signal: RX, pin_signal: TSI0_CH2/PTC6/LLWU_P14/XTAL_OUT_EN/I2C1_SCL/UART0_RX/TPM2_CH0/BSM_FRAME}
  - {pin_num: '43', peripheral: LPUART0, signal: TX, pin_signal: TSI0_CH3/PTC7/LLWU_P15/SPI0_PCS2/I2C1_SDA/UART0_TX/TPM2_CH1/BSM_DATA}
  - {pin_num: '37', peripheral: GPIOC, signal: 'GPIO, 1', pin_signal: PTC1/ANT_B/I2C0_SDA/UART0_RTS_b/TPM0_CH2/BLE_RF_ACTIVE}
  - {pin_num: '1', peripheral: GPIOA, signal: 'GPIO, 0', pin_signal: TSI0_CH8/PTA0/SPI0_PCS1/TPM1_CH0/SWD_DIO, direction: INPUT, gpio_interrupt: kPORT_InterruptFallingEdge,
    slew_rate: fast, pull_select: up, pull_enable: enable}
 * BE CAREFUL MODIFYING THIS COMMENT - IT IS YAML SETTINGS FOR TOOLS ***********
 */
/* clang-format on */

/* FUNCTION ************************************************************************************************************
 *
 * Function Name : BOARD_InitPins
 * Description   : Configures pin routing and optionally pin electrical features.
 *
 * END ****************************************************************************************************************/
void BOARD_InitPins(void)
{
    /* Port A Clock Gate Control: Clock enabled */
    CLOCK_EnableClock(kCLOCK_PortA);
    /* Port C Clock Gate Control: Clock enabled */
    CLOCK_EnableClock(kCLOCK_PortC);

    gpio_pin_config_t NEW_IO_config = {
        .pinDirection = kGPIO_DigitalInput,
        .outputLogic = 0U
    };
    /* Initialize GPIO functionality on pin PTA0 (pin 1)  */
    GPIO_PinInit(BOARD_INITPINS_NEW_IO_GPIO, BOARD_INITPINS_NEW_IO_PIN, &NEW_IO_config);

    const port_pin_config_t NEW_IO = {/* Internal pull-up resistor is enabled */
                                      kPORT_PullUp,
                                      /* Fast slew rate is configured */
                                      kPORT_FastSlewRate,
                                      /* Passive filter is disabled */
                                      kPORT_PassiveFilterDisable,
                                      /* Low drive strength is configured */
                                      kPORT_LowDriveStrength,
                                      /* Pin is configured as PTA0 */
                                      kPORT_MuxAsGpio};
    /* PORTA0 (pin 1) is configured as PTA0 */
    PORT_SetPinConfig(BOARD_INITPINS_NEW_IO_PORT, BOARD_INITPINS_NEW_IO_PIN, &NEW_IO);

    /* Interrupt configuration on PORTA0 (pin 1): Interrupt on falling edge */
    PORT_SetPinInterruptConfig(BOARD_INITPINS_NEW_IO_PORT, BOARD_INITPINS_NEW_IO_PIN, kPORT_InterruptFallingEdge);

    /* PORTC1 (pin 37) is configured as PTC1 */
    PORT_SetPinMux(PORTC, 1U, kPORT_MuxAsGpio);

    /* PORTC6 (pin 42) is configured as UART0_RX */
    PORT_SetPinMux(BOARD_INITPINS_DEBUG_UART_RX_PORT, BOARD_INITPINS_DEBUG_UART_RX_PIN, kPORT_MuxAlt4);

    /* PORTC7 (pin 43) is configured as UART0_TX */
    PORT_SetPinMux(BOARD_INITPINS_DEBUG_UART_TX_PORT, BOARD_INITPINS_DEBUG_UART_TX_PIN, kPORT_MuxAlt4);

    SIM->SOPT5 = ((SIM->SOPT5 &
                   /* Mask bits to zero which are setting */
                   (~(SIM_SOPT5_LPUART0TXSRC_MASK | SIM_SOPT5_LPUART0RXSRC_MASK)))

                  /* LPUART0 Transmit Data Source Select: LPUART0_TX pin. */
                  | SIM_SOPT5_LPUART0TXSRC(SOPT5_LPUART0TXSRC_LPUART_TX)

                  /* LPUART0 Receive Data Source Select: LPUART_RX pin. */
                  | SIM_SOPT5_LPUART0RXSRC(SOPT5_LPUART0RXSRC_LPUART_RX));
}

It throws an exception on this line:

    /* PORTA0 (pin 1) is configured as PTA0 */
    PORT_SetPinConfig(BOARD_INITPINS_NEW_IO_PORT, BOARD_INITPINS_NEW_IO_PIN, &NEW_IO);

So, where have I gone wrong with the FRDM-KW41Z board?

Labels (1)
0 Kudos
Reply
9 Replies

2,528 Views
estephania_mart
NXP TechSupport
NXP TechSupport

Hello, 

Is there a specific reason why you are looking trying to use the PTA1? The reason why you can't debug when using this pin it's caused by the fact that you are using the SWD_CLOCK pin, which it's needed for you to debug. 

If you try one of the pins that are not used for debug, do you have the same behavior? 

Regards ,

Estephania 

0 Kudos
Reply

2,528 Views
gerrikoio
Contributor III

Thank you for your reply.

I have two R3 shields I want to use for two different applications, both of

which happen to have assigned that pin for a specific I/O (function). It is

quite common for SPI shields for example to have that pin assigned as a

chip select function.

It is a pity as I do not want to damage the shields by manually altering

the connection.

On Mon, 25 Mar 2019 at 16:27, estephania_martinez <admin@community.nxp.com>

0 Kudos
Reply

2,528 Views
estephania_mart
NXP TechSupport
NXP TechSupport

Hello, 

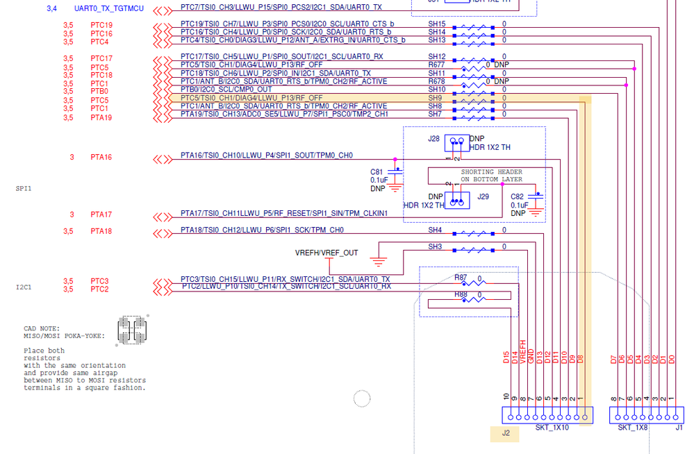
Are you sure that the one you are looking for it's the PTA1 and not the PTC5?

Where are you seeing that label? And which type of shield are you using? 

If you are using the Arduino pin compatible shield, I believe that you are using the wrong pin. 

pastedImage_1.png

You can see in the schematic that the pin routed to the pin 1 of the J2 it's the PTC5. 

Regards, 

Estephania 

0 Kudos
Reply

2,528 Views
gerrikoio
Contributor III

PTA0-SWDIO.jpg

When I do a continuity test with my multimeter, it shows that J13, as shown in the image, is connected to J2[pin 1] and in my MCUXpresso this GPIO is listed as PTA0. This also matches figure 2 in the Quick Start Guide for my board.

0 Kudos
Reply

2,528 Views
estephania_mart
NXP TechSupport
NXP TechSupport

Hello, 

Which board version do you have? Could you please download the design files of the boards and compare it? 

It seems to be a documentation issue of the Quick Start Guide. 

Regards, 

Estephania 

0 Kudos
Reply

2,528 Views
gerrikoio
Contributor III

On the board it says:

(700-29102) REV A2

(SCH-29102) REV A3

0 Kudos
Reply

2,528 Views
estephania_mart
NXP TechSupport
NXP TechSupport

Hello, 

If you try with the pin config in MCUXpresso , do you have the same behavior? 

0 Kudos
Reply

2,528 Views
gerrikoio
Contributor III

Not sure if I follow your logic.

Yes, I have tried pin config in MCUXpresso but because PTA0/PTA1 are also hardwired to OpenSDA SWD IO and CLK via J12/J13/J14 you cannot do anything with PTA0/PTA1.

So the only thing I could think of is to cut the traces on J12/J13/J14 and insert pin headers here are reroute SWD IO/CLK functions to other pins/ports etc. with wires. But this seems a large amount of work to do on the software side and I am not sure how you would do this easily.

0 Kudos
Reply

2,528 Views
estephania_mart
NXP TechSupport
NXP TechSupport

Hello, 

I checked the schematic version of the board you are using, and indeed it is one of the SWD pins, so in this case, you will need to use some hardware modifications to use your shield correctly. 

Sorry for the inconveniences this might cause you. 

Regards, 

Estephania 

0 Kudos
Reply