Hello Arif Kanganolli ,
It is no problem to support 2GB DDR3L with 256Mx16 memory. On our Sabre AI board, 2GB DDR3 has been supported. you can refer to it's schematic. If your DDR3L is packaged in 96ball, you can replace DDR3 on board with DDR3L directly. But there are 2 points you will have to pay attention to.
1. if the DDR3L you will use supports "compitible back to 1.5V voltage", you can use MMPF0100F0ZES diretly.
2. if the DDR3L you will use only supports 1.35V voltage, PMIC should be selected like below:
(1) Select MMPF0100NPAZES ( for automotive application) for your application.
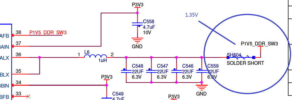
(2) Modifying the script for F0 configuration of MMPF0100---Changing SW3 OUTPUT TO BE 1.35V.

(3) OTP Programing MMPF0100NPAZES with F0 configuration you have modified via programmer.
after OTP is done, SW3 will output 1.35V for DDR3L, other default voltages are not changed.
At this time, there is only one difference between your PMIC and MMPF0100F0ZES, that is SW3's OUTPUT, Yours is 1.35V, and MMPF0100F0ZES's is 1.5V.
[comment] Design files for Sabre AI board can be downloaded it here :
SABRE|Automotive-Infotainment|i.MX6 | NXP
-----Design files for i.MX 6Quad and i.MX 6DualLite CPU1 Cards
Have a nice day!
BR,
NXP TIC Weidong Sun